Запчасти Bobcat T-Series DRIVE TRAIN DRIVE TRAIN

Схема запчастей Bobcat T-Series - DRIVE TRAIN DRIVE TRAIN
FIT
1:1
100%

Артикул

Название

Примечание

Количество

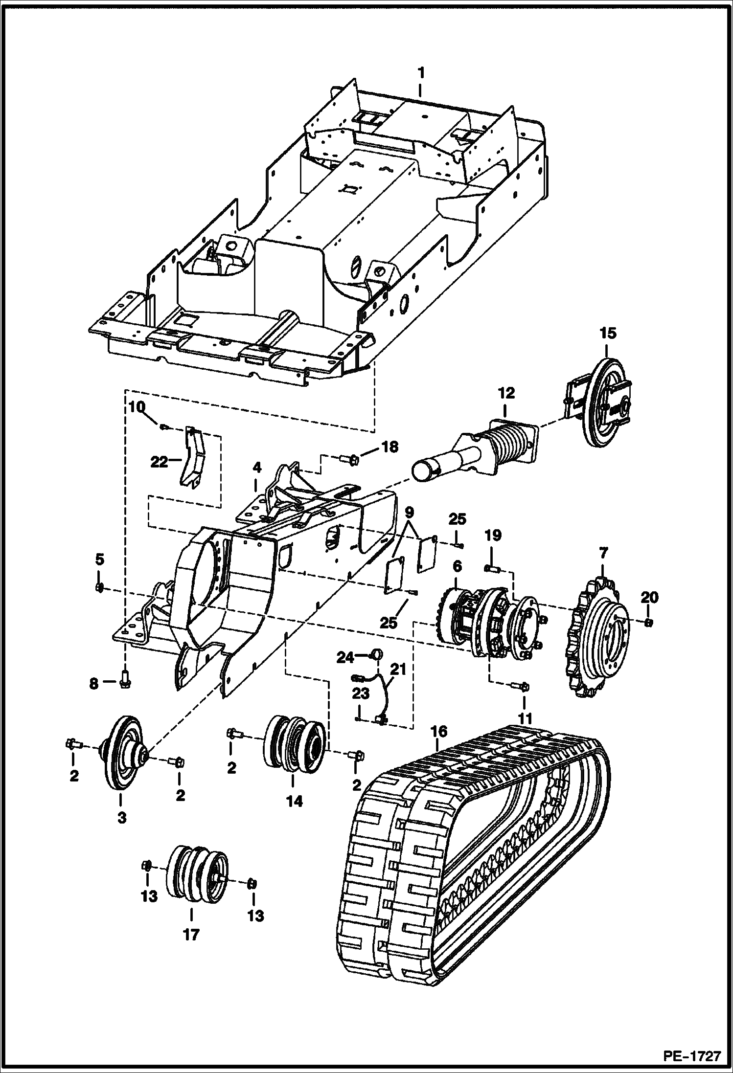
1

6730373

DRIVECASE

2

31C1224

BOLT

2

31C1224

BOLT Use W/Ref. 26 - services 31C1228 in this application

3

IDLER, REAR 2 See Illustration REAR IDLER/ PE1742 - NLA - W/threaded holes - 1.38'' (35 mm) deep threads - Was 6693238 - B

3

6693238

IDLER, REAR 2 See Illustration REAR IDLER/ PE1742 - W/threaded holes - 1.77'' (45 mm) deep threads

4

FRAME NLA - R.H. - Uses 4 rollers - Order 7120454 track frame, Ref. 2 (2) & Ref. 26 (1) - Was 6736031 - A

4

7120454

FRAME, TRACK RH RH - Uses 5 rollers

4

FRAME NLA - L.H. - Uses 4 rollers - Order 7120455 track frame, Ref. 2 (2) & Ref. 26 (1) - Was 6736032 - A

4

7120455

FRAME, TRACK LH LH - Uses 5 rollers

5

53D10

NUT Was 83D-10 - B

6

MOTOR See Illustration HYDROSTATIC MOTOR & BRAKE/ B21330 See Illustration HYDROSTATIC PUMP/ B21983

7

6715821

SPROCKET, MOTOR DRIVE TRACK See BTI378

7

7165109

SPROCKET, MOTOR DRIVE TRACK Was 7107787 - A

8

31C1228

BOLT

9

7240780

COVER, ACCESS Was 6716010 - A

10

84G3712

BOLT 5

11

31C1032

BOLT

12

TENSIONER, TRACK ASSY See Illustration TRACK TENSIONER/ PE1223

13

83D12

NUT

14

ROLLER, TRACK 2 See Illustration TRACK ROLLER/ PE2556 - NLA - W/threaded holes - 1.38'' (35 mm) deep threads - Was 6689371 - B

14

6689371

ROLLER, TRACK 2 See Illustration TRACK ROLLER/ PE2556 - W/threaded holes - 45 mm (1.77'') deep threads

15

6693237

IDLER, FRONT 2 See Illustration FRONT IDLER/ PE1692 Was 6691267 - A

16

TRACK, RUBBER See Illustration TRACKS/ NA6162

17

ROLLER ASSY NLA - Order Ref. 14 & (2) of Ref. 2 - Was 6686632 - A

18

31C1232

SCREW

19

6674706

STUD

20

6691215

NUT Was 6674724 - A

21

SENSOR NLA - nylon conduit - selectable joystick controls - Order 7139902 sensor - Was 6684443 - B

21

7139902

SENSOR, SPEED stainless steel conduit - SJC

21

75K6

O-RING

22

6737543

COVER RH - selectable joystick controls

22

6737417

COVER LH - selectable joystick controls

23

7102184

SCREW selectable joystick controls

24

6678669

STRAP selectable joystick controls

25

17C616

BOLT 5

Выбрано товаров: 35