Запчасти Bobcat T-Series HIGH FLOW HYDRAULICS (Triple Gear Pump) HIGH FLOW HYDRAULICS

Схема запчастей Bobcat T-Series - HIGH FLOW HYDRAULICS (Triple Gear Pump) HIGH FLOW HYDRAULICS
FIT
1:1
100%

Артикул

Название

Примечание

Количество

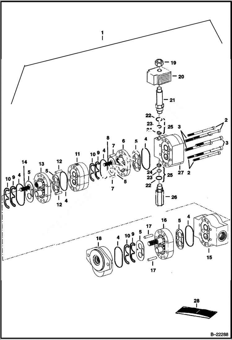
1

PUMP NLA - 163D1373 - for hydrostatic pump 4445158 - Order 6686713 - Was 6684636 - A

1

6686713

PUMP, GEAR TRIPPLE 163D1488 - for pump 4445197

1

GEAR PUMP NLA - gear - 163D1429 - 40 GPM - for 4445179 - Order 6688670 - Was 6685842 - A

1

6688670

PUMP, GEAR TRIPPLE 163D72011 - 37 GPM - for pump 4445221

2

BOLT NSS

3

BOLT NSS

4

SEAL NSS - section

5

WEAR PLATE NSS

6

SECTION NSS

7

PIN NSS

8

SHAFT NSS

9

SEAL NSS - load

10

SEAL NSS - pre-load

11

BODY NSS

12

PIN NSS

13

SECTION NSS

14

SHAFT NSS

15

BODY NSS

16

SECTION NSS

17

PIN NSS

18

END CAP NSS

19

NUT NSS

20

6681491

COIL Was 6684590 - A

21

6685027

VALVE solenoid

22

O-RING NSS

23

O-RING NSS

24

WASHER NSS - back-up

25

6683206

SEAL KIT Ref. 22-24

26

6685026

VALVE relief

27

BODY NSS

28

6688328

SEAL KIT Ref. 4, 5, 9 & 10 - Was 6682259

Выбрано товаров: 31