Запчасти Bobcat T-Series MANIFOLDS (S/N 5219 & 5220) (V3300 DI T Kubota) (Tier I) POWER UNIT

Схема запчастей Bobcat T-Series - MANIFOLDS (S/N 5219 & 5220) (V3300 DI T Kubota) (Tier I) POWER UNIT
FIT
1:1
100%

Артикул

Название

Примечание

Количество

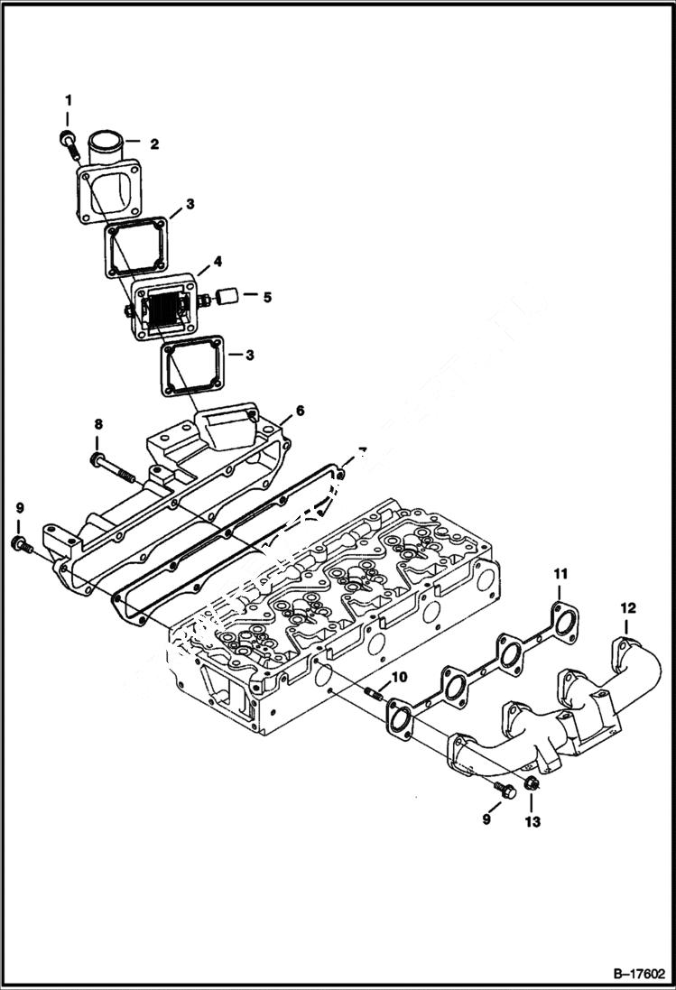
1

6680851

BOLT

2

6680886

FLANGE

3

6680887

GASKET

4

6680888

HEATER

5

6598112

CAP

6

6680883

MANIFOLD intake

7

6680884

GASKET manifold

8

6680885

BOLT

9

6680801

BOLT

10

6652670

STUD Was 3974916B - A

11

6680891

GASKET manifold

12

6680890

MANIFOLD exhaust

13

6680663

NUT

Выбрано товаров: 13