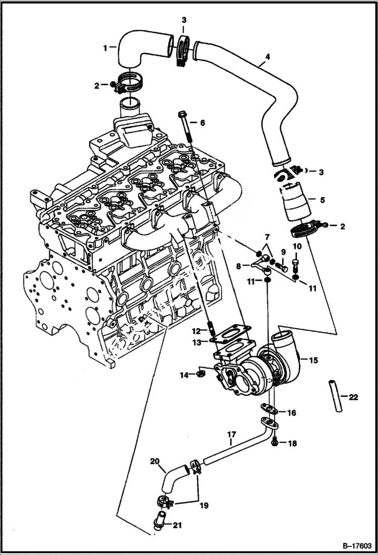
Запчасти Bobcat T-Series TURBOCHARGER (S/N 5219 & 5220) (V3300 DI T Kubota) (Tier I) POWER UNIT

Схема запчастей Bobcat T-Series - TURBOCHARGER (S/N 5219 & 5220) (V3300 DI T Kubota) (Tier I) POWER UNIT
FIT
1:1
100%

Артикул

Название

Примечание

Количество

1

6680896

HOSE

2

6680897

CLAMP

3

6680898

CLAMP

4

6680895

HOSE

5

6680894

HOSE

6

6680802

BOLT

7

3974095

MET-GASK Was 6680792 - A

8

6680899

TUBE

9

7022765

BOLT, EYE Was 6680791 - A

10

6680900

BOLT hollow

11

7000642

WASHER, SEALING COPPER consists of 2 gaskets attached by a tab - Was 6685962 - B

12

6680564

STUD

13

7008514

GASKET, TURBO Was 6680893 - A

14

6680663

NUT

15

6680892

TURBO, CHARGER W/Ref. 22

15

6680892REM

TURBOCHARGER, KUBOTA V3300 W/Ref. 22

15

6680892EF

TURBOCHARGER W/Ref. 22

16

6680570

GASKET

17

6680901

PIPE

18

6680830

BOLT

19

6680903

CLAMP

20

6680902

HOSE

21

6680649

TUBE

22

6688069

HOSE turbocharger

Выбрано товаров: 24