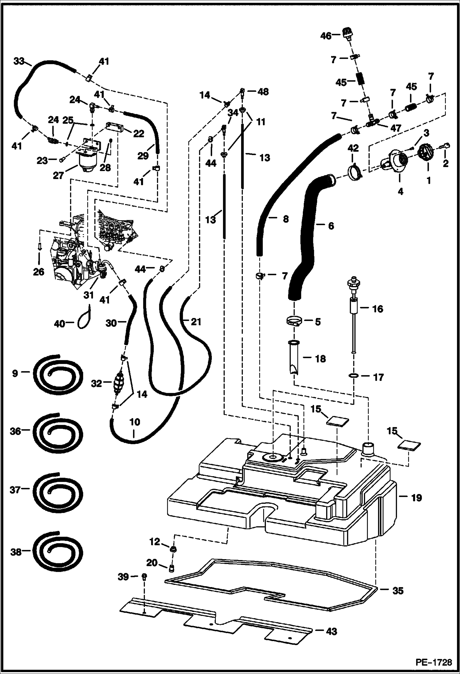
Запчасти Bobcat T-Series FUEL SYSTEM MAIN FRAME

Схема запчастей Bobcat T-Series - FUEL SYSTEM MAIN FRAME
FIT
1:1
100%

Артикул

Название

Примечание

Количество

1

6661114

CAP. DIESEL green fuel fill

1

6661696

CAP, FUEL LOCKING locking - W/Ref. 2 - Code PK510

2

6587458

KEY Code PK510

3

7106279

BOLT Was 6706517 - B

4

6701449

FILLER TUBE

5

42HC250

CLAMP Was 42HL00250B - B

6

7113794

HOSE Was 6730532 - A

6

7113794

HOSE

7

5HM24

CLAMP

8

HOSE NLA - 32'' (813mm) long - Order Ref. 36

8

HOSE NLA - 28.5'' (724mm) long - Order Ref. 36

8

HOSE NLA - 25.4'' (645mm) long - Order Ref. 36 - Use W/vent

9

6578169

HOSE bulk - sold per foot - 0.19'' ID

10

HOSE NLA - 29.5'' (749mm) long - Order Ref. 38

11

6735696

GROMMET brown - high temp - .37'' ID

11

6553411

BUSHING 0.38'' ID

12

6717402

BUSHING 0.54'' ID

13

6734150

HOSE 13.75'' (350mm) long

13

6735249

HOSE, FUEL 11.8'' (300mm) long

14

5HM13

CLAMP

15

6578278

PAD self adhesive one side

16

7216516

SENSOR, FUEL fuel - W/Ref. 17 - 14.75'' (375mm) long - Was 6680439 - A

16

7179839

SENSOR FUEL W/Ref. 17 - 279 mm (11'') long - Was 6680438 - A

17

6717579

GASKET

18

7120881

SCREEN, FILLER Was 6569219 - A

19

TANK NLA - Use W/ 6680439 fuel sensor - Order 6735615 , also Order 6735249 hose & 6680438 fuel sensor - Was 6735219 - A

19

6735615

TANK Use W/ 6680438 fuel sensor

20

7203382

PLUG, STEEL fuel drain - .75'' shoulder - Was 6717401 - A

20

6599645

PLUG, STEEL .50'' (12,25 mm) shoulder

21

HOSE NLA - 53'' (1346mm) long - Order Ref. 9 - Tier I

21

HOSE NLA - 50'' (1270mm) long - Order Ref. 9 - Tier II

22

6731152

MOUNT

23

43C516

BOLT

24

6715183

ELBOW W/Ref. 25 - check boss face to determine correct replacement o-ring

25

99K5

O-RING for tapered boss face

25

79K5

O RING 10 for flat boss face

26

53C516

BOLT

27

6667353

FILTER ASSY W/Ref. 28

27

6667352

FILTER, FUEL W/SEPARATOR 12

27

72F1

FITTING

28

6658180

PLUG, BLEED

29

HOSE NLA - 11.25'' (286mm) long - Order Ref. 37 - Tier I

29

HOSE NLA - 13'' (330mm) long - Order Ref. 37 - Tier II

30

HOSE NLA - 12'' (305mm) long - Order Ref. 38 - Tier I

30

HOSE NLA - 9.25'' (235mm) long - Order Ref. 38 - Tier II

31

FUEL PUMP See Illustration FUEL INJECTION PUMP/ B17614

32

6657734

PUMP, PRIMER HAND 124 mm (4.88'') long

33

HOSE NLA - 14.5'' (368mm) long - Order Ref. 37 - Tier I

33

HOSE NLA - 16'' (406mm) long - Order Ref. 37 - Tier II

34

7101291

ELBOW Was 6681462 - A

35

6726218

GASKET

36

6578172

HOSE bulk - sold per foot

37

6577822

HOSE bulk - sold per foot - .3125'' ID

38

6577821

HOSE bulk - sold per foot - .25'' ID

39

84G3712

BOLT 5

40

6610510

TIE

41

5HM14

CLAMP

42

5HM58

CLAMP

43

6730552

BRACKET

44

42HS04

CLAMP, HOSE

45

HOSE NLA - 2'' (51mm) long - Order Ref. 36

46

7025626

VENT, BREATHER - Was 6684923 - A

47

7102705

TEE

48

6598908

ELBOW

Выбрано товаров: 64