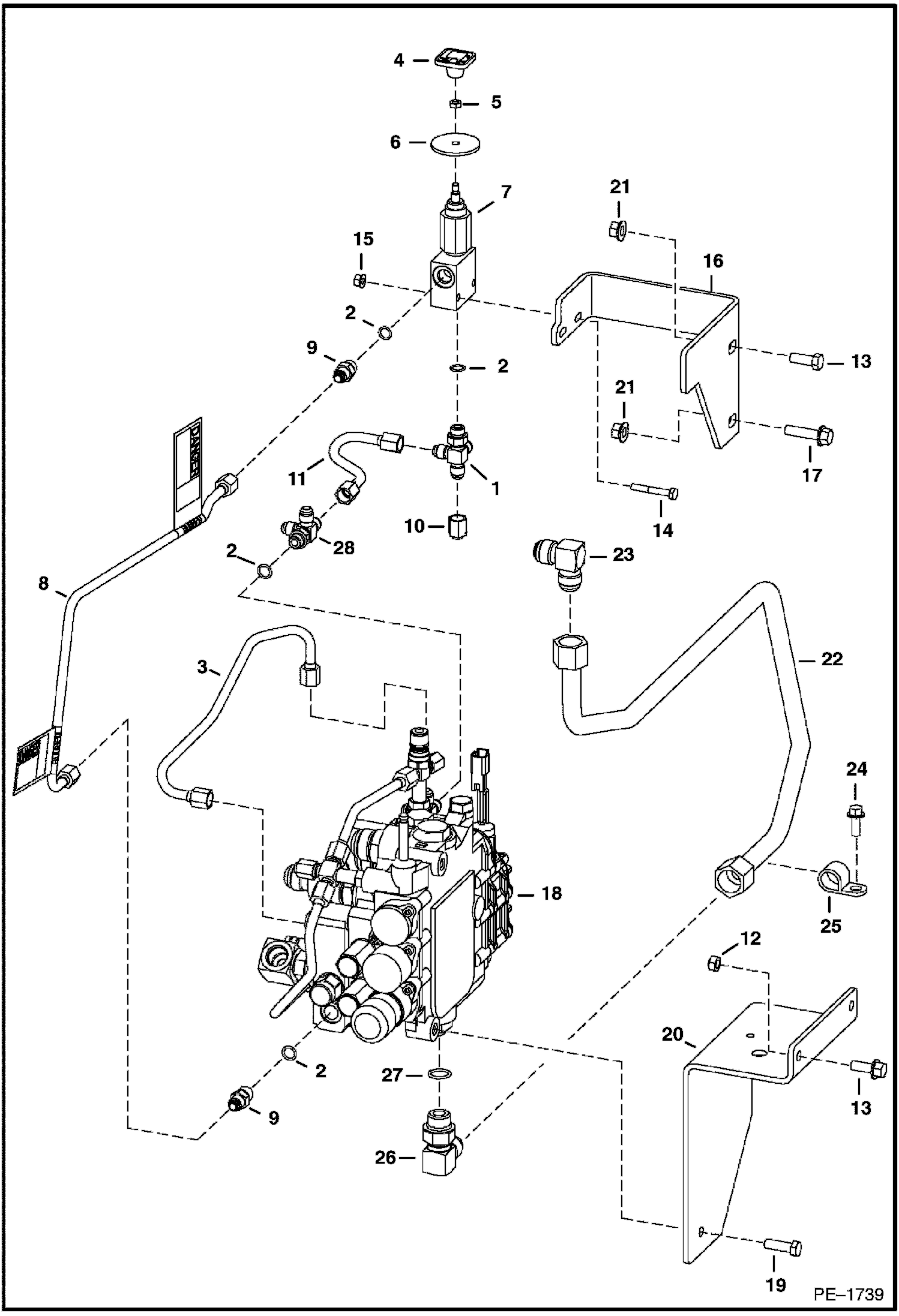
Запчасти Bobcat T-Series LIFT & TILT CONTROL CIRCUITRY (S/N 521911001, 522011001 & Above) (S/N 525411001-13999, 525511001-11999) HYDRAULIC SYSTEM

Схема запчастей Bobcat T-Series - LIFT & TILT CONTROL CIRCUITRY (S/N 521911001, 522011001 & Above) (S/N 525411001-13999, 525511001-11999) HYDRAULIC SYSTEM
FIT
1:1
100%

Артикул

Название

Примечание

Количество

1

6725182

TEE W/Ref. 2

2

79K6

O RING 10

3

6732458

TUBELINE

4

6737524

KNOB red square - Was 6668913 - A

5

7D4

NUT

6

6707101

SEAL neoprene

7

7230495

VALVE, LIFT MANUAL See Illustration MANUAL LIFT RELEASE VALVE/ PE1547 - manual lift release - Was 6667844 - A

8

7101184

TUBELINE available only as an assembly W/two danger decals installed - Was 6732455 - A

8

6809511

DECAL, DANGER

9

15KB0606

FITTING, HYD CONNECTOR W/Ref. 2

10

36K5

CAP

11

TUBELINE NLA - Order 7109647 - Was 6732464 - A

11

7109647

HOSE

12

85D6

NUT, 5

13

35C616

BOLT 5

14

17C428

BOLT

15

83D4

NUT 10

16

6718881

BRACKET

17

17C624

BOLT 5

18

VALVE See Illustration HYDRAULIC CONTROL VALVE/ PE1745 See Illustration HYDRAULIC CONTROL VALVE/ PE1729 CONTROL

19

17C620

BOLT Was 6717378 - A

20

6735728

MOUNT Was 6727751 - A

21

83D6

NUT 5

22

6735295

TUBELINE

23

77F8

ELBOW

24

84G3716

SCREW 5

25

30H46

CLIP

26

6812141

ELBOW W/Ref. 27

27

79K12

O RING 10

28

6718031

TEE W/Ref. 2

Выбрано товаров: 30