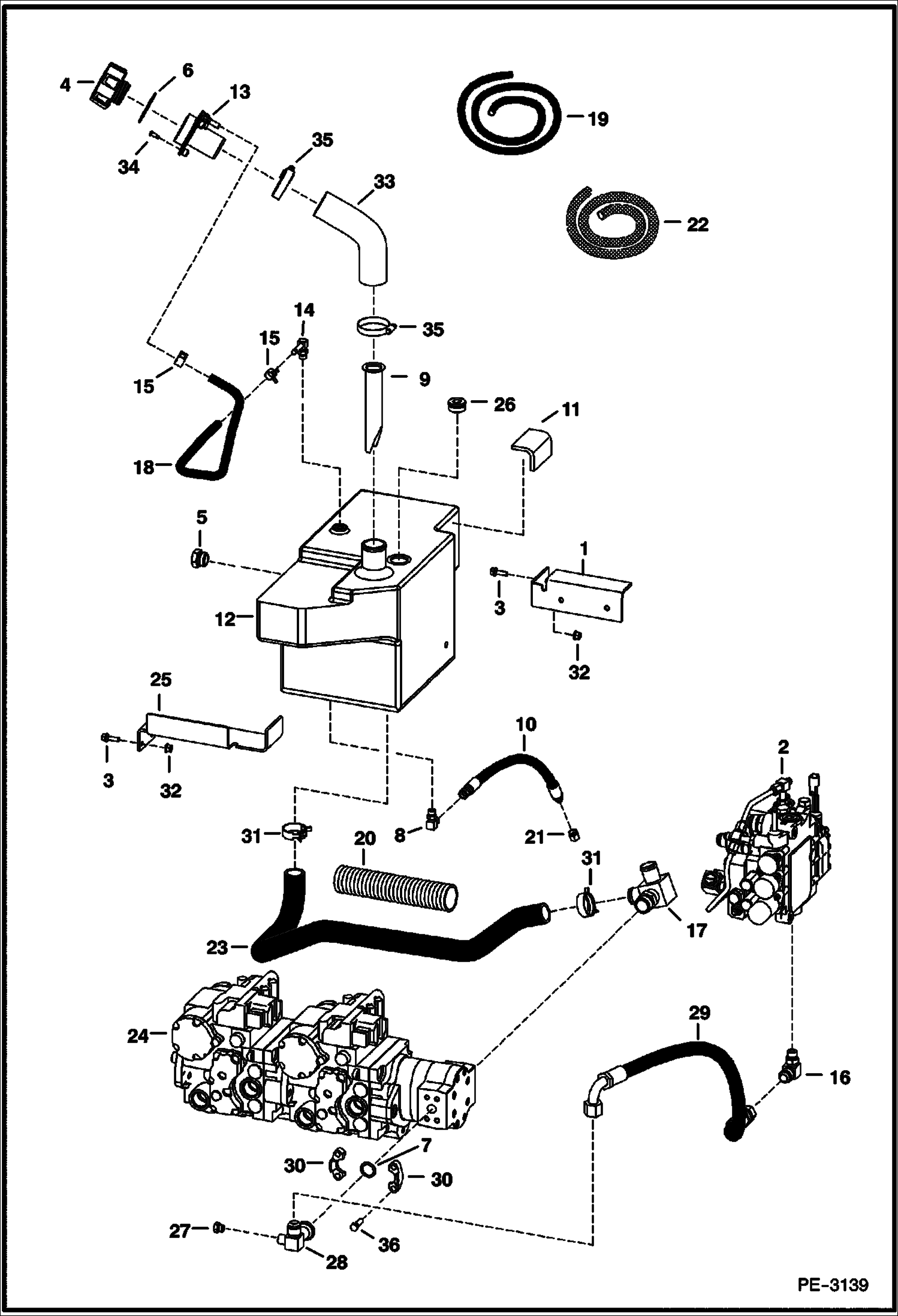
Запчасти Bobcat T-Series HYDROSTATIC CIRCUITRY (W/Tank) (W/SJC) (S/N 521911477, 522011034 & Below) HYDROSTATIC SYSTEM

Схема запчастей Bobcat T-Series - HYDROSTATIC CIRCUITRY (W/Tank) (W/SJC) (S/N 521911477, 522011034 & Below) HYDROSTATIC SYSTEM
FIT
1:1
100%

Артикул

Название

Примечание

Количество

1

6718851

BRACKET

2

VALVE See Illustration HYDRAULIC CONTROL VALVE/ PE1745

3

35C516

BOLT 10

4

6727475

CAP, OIL HYD breather & fill - Also Order Ref. 6

5

6665915

GAUGE sight

5

99K6

O RING

5

6734563

WASHER KIT

5

6734561

WASHER

5

25K30118

O RING 10

6

6700631

GASKET

7

55K214

O-RING

8

17KB0606

FITTING

8

79K6

O RING 10

9

7120881

SCREEN, FILLER Was 6569219 - A

10

7106212

HOSE Was 6537040 - A

11

6578278

PAD

12

6731209

TANK hydraulic

13

6727354

INLET

14

6727313

ELBOW

15

5HM15

CLAMP

16

17KB1212

FITTING, HYD ELBOW

16

79K12

O RING 10

17

6736408

TEE Was 6732586 - A

17

79K20

O RING 10

18

HOSE NLA - 23'' (584mm) long - Order Ref. 19

19

6586251

HOSE Bulk - sold per foot

20

SHIELD NLA - 10'' (254mm) long - Order Ref. 22

21

36K5

CAP

22

6705749

SHIELD bulk - sold per foot

23

6731496

HOSE

24

PUMP See Illustration HYDROSTATIC PUMP/ B26304

25

6718850

BRACKET

26

47K10

PLUG for the tank flushing hole

26

79K16

O RING 10

27

24K5

PLUG

27

79K6

O RING 10

28

7103952

TEE split flange - W/Hole for rear aux. pilot pressure

28

7106040

ELBOW split flange - W/O plug hole

29

6736649

HOSE, HYD ASSY 33.50'' (850.9 mm) long - Was 6729160 - A

30

19J12

CLAMP

31

5HM42

HOSECLAMP

32

83D5

NUT 5

33

6731638

HOSE

34

6706517

SCREW

35

42HL250

CLAMP

36

17C620

BOLT

Выбрано товаров: 46