Качественные детали и логистика
Оригинальные и аналоговые запчасти с доставкой по России, Казахстану и Беларуси
©2022 PartSell ООО "Система" ИНН 2463123282 ОГРН 1212400004838
Центральный офис: г. Красноярск, Академика Киренского, д.87, пом.4
Телефон: 8 (800) 777-65-74 Email: zakaz@partsell.ru
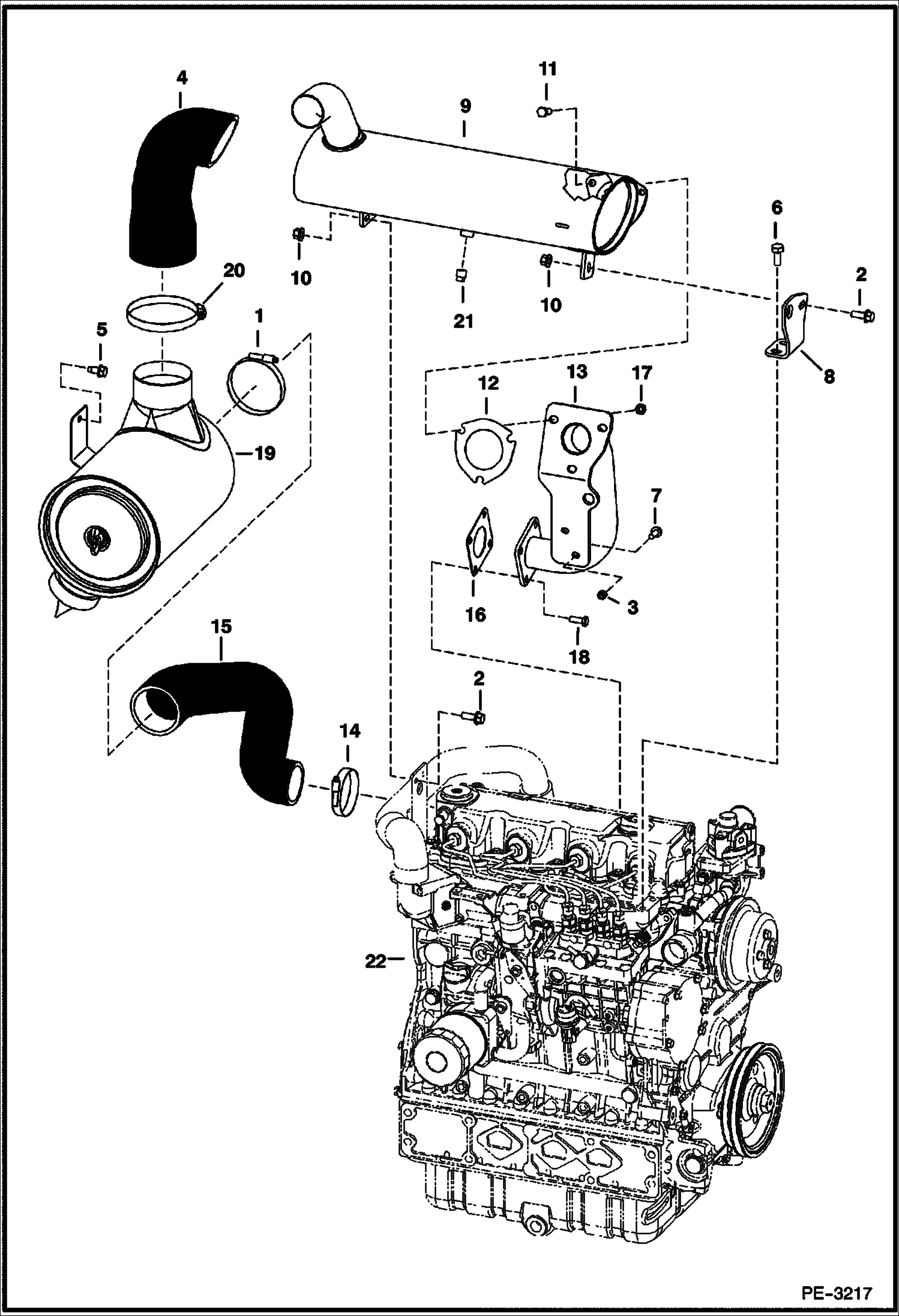
ENGINE & ATTACHING PARTS (Air Cleaner, Muffler)
№
Артикул
Название
Примечание
Количество
1
42HC375
CLAMP
2
45C616
BOLT
3
53DM8
NUT
4
7127933
HOSE air intake
7141274
HOSE
5
84G3712
BOLT 5
6
6719825
7
29CM820
SCREW
8
7111805
MOUNT muffler
9
6687887
MUFFLER, EXHAUST oval - double insulated
10
83D6
NUT 5
11
17C620
12
6732032
GASKET exhaust
13
7109810
TUBE ASSY EXH. exhaust
14
42HC300
15
7126917
16
7102747
GASKET
17
85D6
NUT, 5
18
5CM1020
19
AIR CLEANER See Illustration AIR CLEANER/ MS1516
AIR CLEANER See Illustration AIR CLEANER/ PE3523
20
42H64
21
6661062
PLUG brass - 0.38''
22
ENGINE See Illustration ENGINE & UPPER GASKET KIT/ B26841
Выбрано товаров: 0