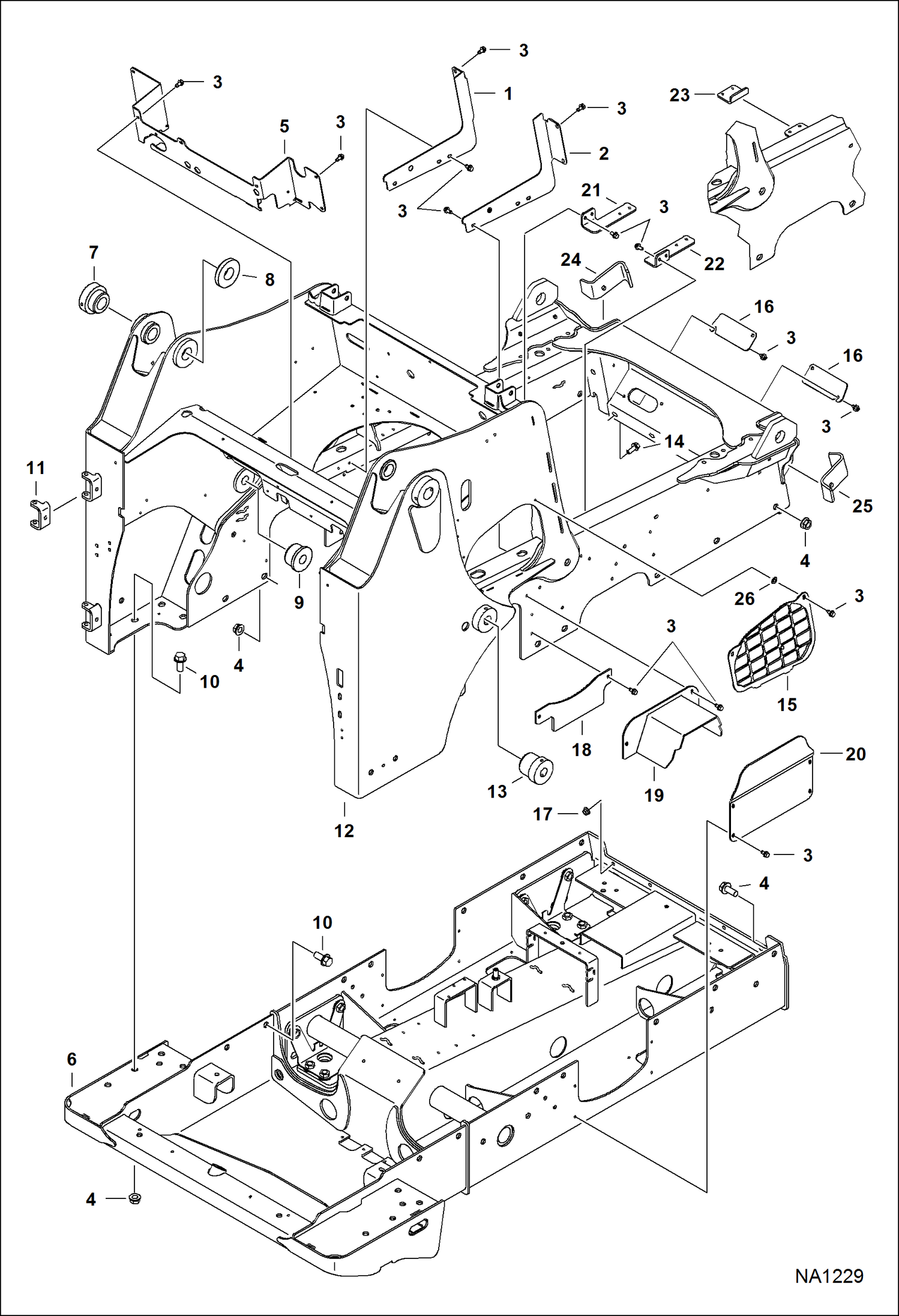
Запчасти Bobcat T-Series MAIN FRAME (S/N A7PU11001 - 13475 & 13506) MAIN FRAME

Схема запчастей Bobcat T-Series - MAIN FRAME (S/N A7PU11001 - 13475 & 13506) MAIN FRAME
FIT
1:1
100%

Артикул

Название

Примечание

Количество

1

7147354

PANEL See Illustration COOLING SYSTEM/ NA1260

2

7161793

PANEL See Illustration COOLING SYSTEM/ NA1260

3

84G3712

BOLT 5

4

53D12

NUT

5

7151540

PANEL, CROSSMEMBER

6

DRIVECASE See Illustration DRIVE TRAIN/ NA1228

7

7134830

BUSHING, WELD-ON outside upright

8

7134831

BUSHING, WELD-ON inside upright

9

6730785

BUSHING inside upright

10

31C1228

BOLT

11

6708987

HINGE, WELD-ON

12

MAIN FRAME NLA - Order 7190082 - Was 7133450 - B

12

7190082

MAIN FRAME

13

7134832

BUSHING, WELD-ON outside upright

14

31C820

BOLT

15

7174997

LOUVER, RH

15

7174998

LOUVER, LH

16

7159532

COVER, ACCESS

17

83D8

NUT 5

18

7137219

SHIELD

19

7137291

SHIELD RH

19

7137593

SHIELD LH

20

7136973

COVER

21

7202799

BRACKET, SUPPORT LH

22

7202800

BRACKET, SUPPORT RH

23

BRACKET, WELD-ON NLA - LH - Order Ref. 21

23

BRACKET, WELD-ON NLA - RH - Order Ref. 22

24

7155693

GUIDE LH - weld-on

25

7155692

GUIDE RH - weld-on

26

6674264

RETAINER NUT

Выбрано товаров: 30