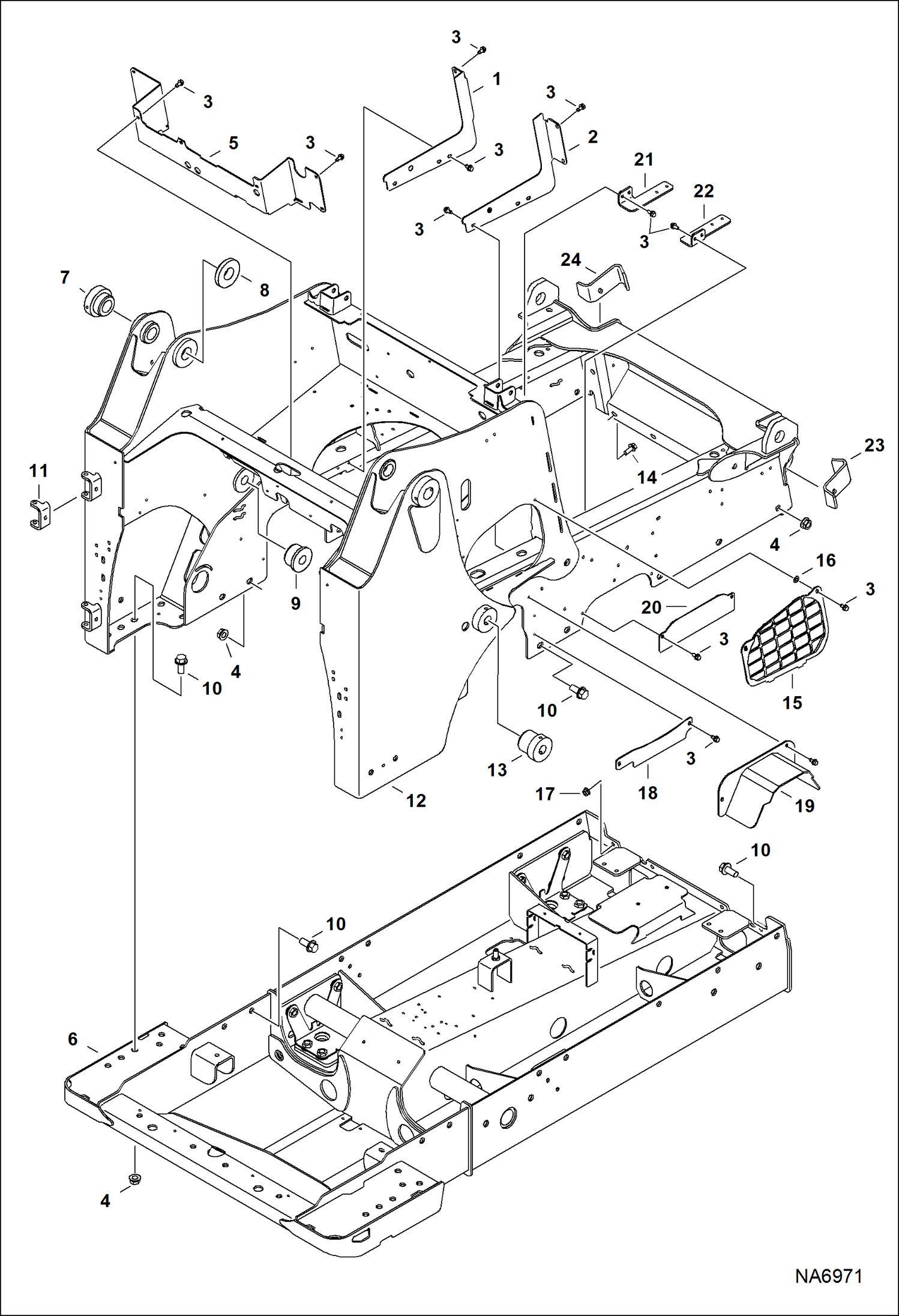
Запчасти Bobcat T-Series MAIN FRAME (S/N A7PU13476-13505 & 13507 & Above) MAIN FRAME

Схема запчастей Bobcat T-Series - MAIN FRAME (S/N A7PU13476-13505 & 13507 & Above) MAIN FRAME
FIT
1:1
100%

Артикул

Название

Примечание

Количество

1

7147354

PANEL See Illustration COOLING SYSTEM/ NA1260

2

7161793

PANEL See Illustration COOLING SYSTEM/ NA1260

3

84G3712

BOLT 5

4

53D12

NUT

5

7190086

CROSSMEMBER

6

DRIVECASE See Illustration DRIVE TRAIN/ NA6977

7

7134830

BUSHING, WELD-ON outside upright

8

7134831

BUSHING, WELD-ON inside upright

9

6730785

BUSHING inside upright

10

31C1228

BOLT

11

6708987

HINGE, WELD-ON

12

7211866

MAIN FRAME

12

7182865

MAIN FRAME

13

7134832

BUSHING, WELD-ON outside upright

14

31C820

BOLT

15

7174997

LOUVER, RH

15

7174998

LOUVER, LH

16

6674264

RETAINER NUT

17

83D8

NUT 5

18

7140465

COVER, ACCESS

19

7221102

SHIELD, RH 1 speed

19

7227037

SHIELD, RH 2 speed

19

7221103

SHIELD, LH 1 speed

19

7227038

SHIELD, LH 2 speed

20

7210758

COVER, PLATE

21

7202799

BRACKET, SUPPORT LH

22

7202800

BRACKET, SUPPORT RH

23

7155692

GUIDE RH - weld-on

24

7155693

GUIDE LH - weld-on

25

31C1236

BOLT

Выбрано товаров: 30