Качественные детали и логистика
Оригинальные и аналоговые запчасти с доставкой по России, Казахстану и Беларуси
©2022 PartSell ООО "Система" ИНН 2463123282 ОГРН 1212400004838
Центральный офис: г. Красноярск, Академика Киренского, д.87, пом.4
Телефон: 8 (800) 777-65-74 Email: zakaz@partsell.ru
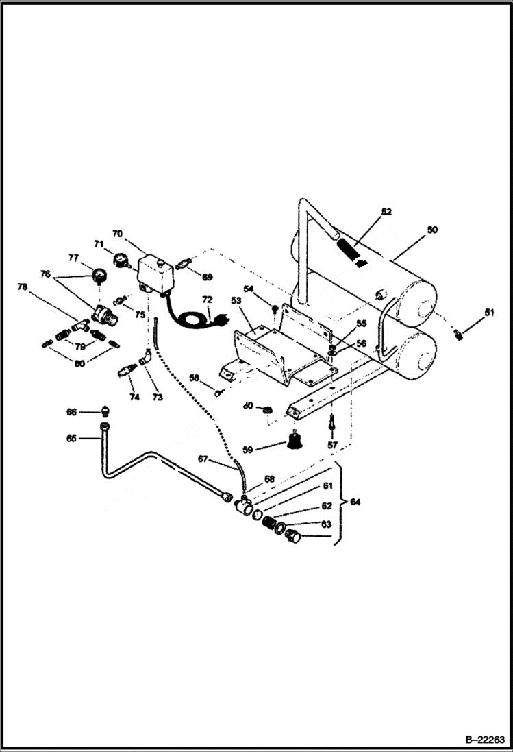
MAIN FRAME (Compressor Tanks)
№
Артикул
Название
Примечание
Количество
50
IR32337396
TANK
51
IR32337370
DRAIN
52
IR32337388
GRIP
53
IR32337636
PLATE
54
IR32337644
RUBBER FOOT vibration
55
IR32337263
NUT
56
IR32337610
WASHER
57
IR32337594
SCREW
58
IR32337628
59
IR32337511
DAMPER
60
NUT NLA - Was IR32337537 - A
61
IR32337545
SEAL
62
IR32337552
SPRING
63
IR32337560
O-RING
64
IR32337578
CHECK VALVE
65
IR32337586
TUBELINE
66
IR32337818
FITTING
67
IR32337438
TUBE vent
68
IR32341414
BUSHING
69
IR32337404
70
IR32337412
switch pressure
71
IR32337479
GAUGE pressure
72
IR32337420
POWER CABLE
73
IR32337446
74
IR32337453
VALVE saftey/relief
75
IR32337461
NIPPLE
76
IR32337495
REGULATOR pressure
77
IR32337487
78
IR32341406
TEE
79
IR32341380
SNAP COCK
80
IR32341398
COUPLER
Выбрано товаров: 0