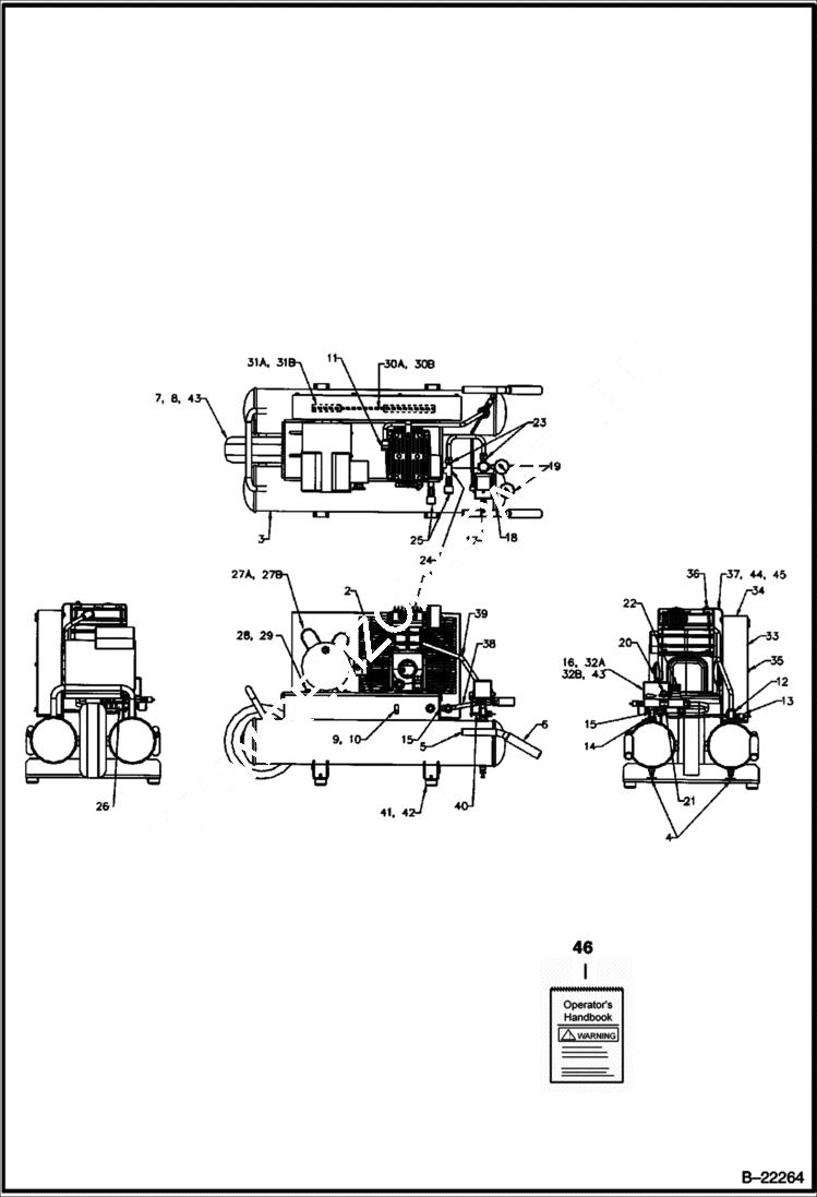
Запчасти Bobcat AIR COMPRESSOR MAIN FRAME MAIN FRAME

Схема запчастей Bobcat AIR COMPRESSOR - MAIN FRAME MAIN FRAME
FIT
1:1
100%

Артикул

Название

Примечание

Количество

1

IR18002378

PUMP compressor - Was IR97330419 - A

2

IR56290794

SCREW

3

TANK NLA - Was IR54639943 - A

4

IR32027120

VALVE manual drain

5

IR54394036

PLUG

6

IR97171060

GRIP

7

IR54389572

AXLE

8

IR54506001

WHEEL

9

IR32224537

CLAMP tube

10

IR97173595

SCREW

11

IR95040184

ELBOW

12

IR56269590

VALVE check

13

IR54381348

VALVE safety/relief

14

IR32179012

BUSHING

15

IR91896480

NIPPLE

16

IR54441738

SWITCH pressure

17

IR97010094

VALVE safety/relief

18

IR97503023

BUSHING filtered

19

IR54494075

GAUGE pressure

20

IR97004030

CONNECTOR

21

IR95242582

NIPPLE long

22

IR37992849

REGULATOR pressure

23

IR95083200

CONNECTOR

24

IR32140956

PIPE TEE

25

IR32238354

quick connect

26

IR37143542

ELBOW

27

IR54595418

ENGINE BA2-EW

28

IR32164634

SCREW

29

IR54391545

NUT

30

IR54454780

BELT drive

31

IR54454913

SHEAVE

33

IR54459508

BELT GUARD beltguard

34

IR54459516

BELT GUARD beltguard

35

IR97173595

SCREW

36

IR56280159

SCREW

37

IR54640032

BRACE beltguard

38

IR49812563

TUBELINE

39

IR49812548

TUBELINE

40

IR49812555

TUBELINE

41

IR97175343

PAD insolator

42

IR97175350

SCREW filtered

43

IR54657218

NUT

44

IR32175564

SCREW

45

IR39128541

NUT

45

IR54465059

CORD 250V

45

IR54441480

CORD 125V

45

IR54498506

CABLE TIE

46

IR22138150CD

OM, BA2 EW AIR COMPRESSOR CD

Выбрано товаров: 0