Запчасти Bobcat AIR COMPRESSOR MAIN FRAME MAIN FRAME

Схема запчастей Bobcat AIR COMPRESSOR - MAIN FRAME MAIN FRAME
FIT
1:1
100%

Артикул

Название

Примечание

Количество

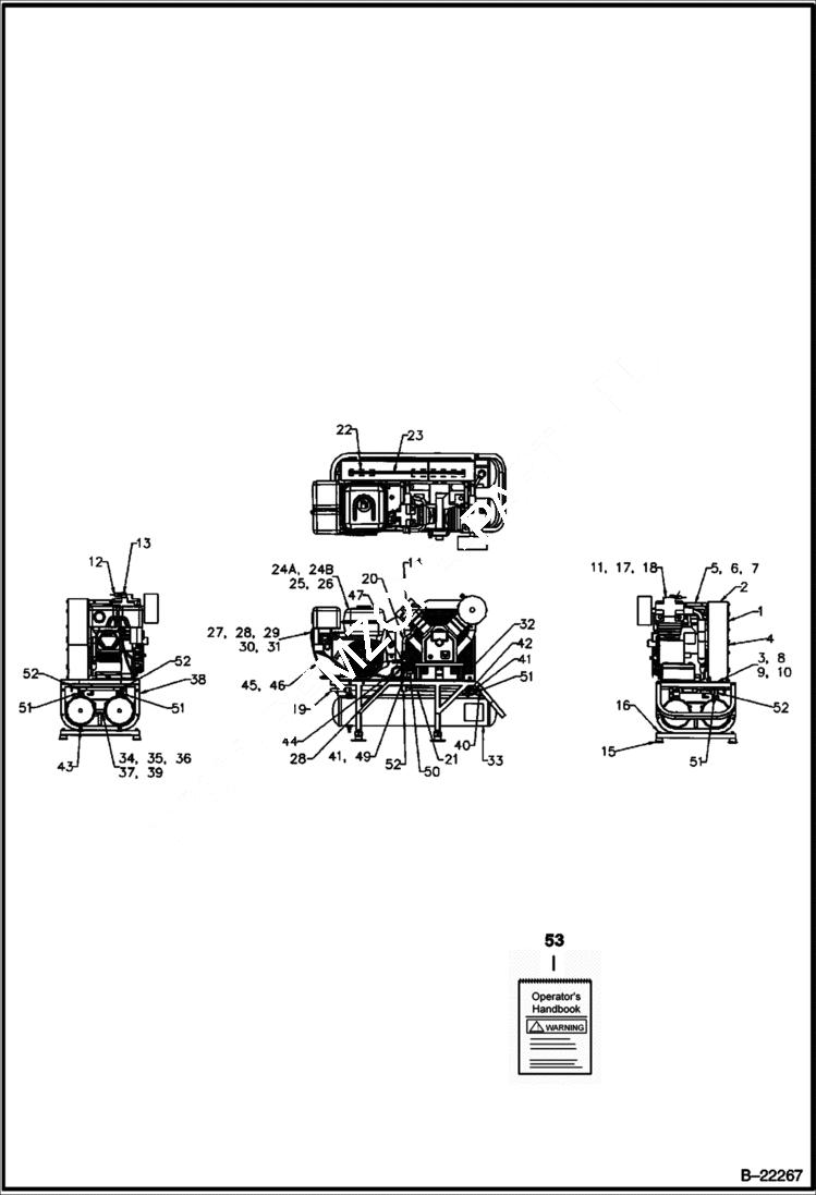
1

IR54489141

BELT GUARD front

2

IR54489133

BELT GUARD rear

3

IR54489158

CHANNEL belt guard

4

IR97173595

SCREW

5

IR32295321

BRACE belt guard

6

IR32175564

SCREW

7

IR39128541

NUT

8

IR58879461

SCREW

9

IR56275191

SCREW

10

IR39128558

NUT

10

IR20103347

ASSEMBLY complete belt guard - Ref. 1-10

11

IR20102802

PUMP Ref 12 Ref 13 Ref 14

12

IR72062185

VALVE safety/relief

13

IR37143542

ELBOW

14

IR95031795

ELBOW

15

IR54533211

MOUNT vibration

16

IR32499139

SCREW

17

IR95107900

SCREW

18

IR32188112

NUT

19

IR20104071

TUBELINE

20

IR49812035

TUBELINE

21

IR49812043

TUBELINE

22

IR32110660

SHEAVE

23

IR95991311

BELT drive

24

IR54467634

ENGINE manual start

24

IR54575600

ENGINE electric start

25

IR32175549

SCREW

26

IR54370523

NUT

27

IR54580261

CYLINDER engine slow down

28

IR39155577

ELBOW

29

IR95246955

WASHER

30

IR95790952

WASHER

31

IR96715271

SCREW

32

IR54573332

MOUNT

33

TANK air receiver NLA - air receiver - Was IR54484290 - A

34

IR20101846

CLAMP receiver

35

IR54562764

COLLAR

36

IR54479134

SCREW

37

IR95934311

WASHER

38

IR54484316

AIR SLED ASSY

39

IR54548680

BUMPER vibration

40

IR32224743

ELBOW

41

IR95785192

NIPPLE

42

IR54450176

VALVE ball

43

IR32027120

VALVE manual drain

44

IR54622857

GAUGE

45

IR97265912

TUBING 18'' long

46

IR97182240

INSERT

47

IR32334252

ASSEMBLY discharge unloader

49

IR54461967

FITTING

50

IR95080651

ELBOW

51

IR95098372

BUSHING

52

IR95031795

ELBOW

53

IR22138184CD

OM, BA9S AIR COMPRESSOR CD

Выбрано товаров: 0