Запчасти Bobcat AIR COMPRESSOR COMPRESSOR PUMP MAIN FRAME

Схема запчастей Bobcat AIR COMPRESSOR - COMPRESSOR PUMP MAIN FRAME
FIT
1:1
100%

Артикул

Название

Примечание

Количество

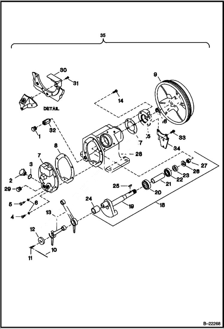
1

IR95033601

PLUG pipe

2

IR37127065

PLUG oil filler

3

IR95022158

O-RING

4

IR95105243

SCREW

5

IR95002978

SCREW

6

IR95674651

GASKET

7

IR37127123

COVER

8

IR32293680

GASKET frame end cover

9

IR32498974

BELT WHEEL

10

IR90799289

LOCKWIRE

11

IR30278709

SCREW

12

IR30210314

CAP

13

IR32004145

ROD connecting

14

IR95105243

SCREW

15

IR37127032

COVER shaft end

16

IR32204521

SEAL oil

17

IR32293672

GASKET shaft end cover

18

IR32496549

CRANKSHAFT Ref. 19-27

19

IR32293821

SHAFT ASSY

20

IR95930400

BEARING ball

21

IR37127016

SPACER

22

IR95951216

BEARING ball

23

IR37127024

RING

24

IR30289813

BUSHING

25

IR95433173

KEY woodruff

26

IR95081790

WASHER

27

IR95076808

NUT

28

IR30222327

FRAME compressor

29

IR95200333

PLUG pipe

30

IR32270639

BAFFLE oil level

31

IR95053070

SCREW

32

IR70235049

ADAPTER

33

IR95105243

SCREW

34

IR97331011

BRACKET

35

IR20102802

PUMP Ref. 1-34

Выбрано товаров: 0