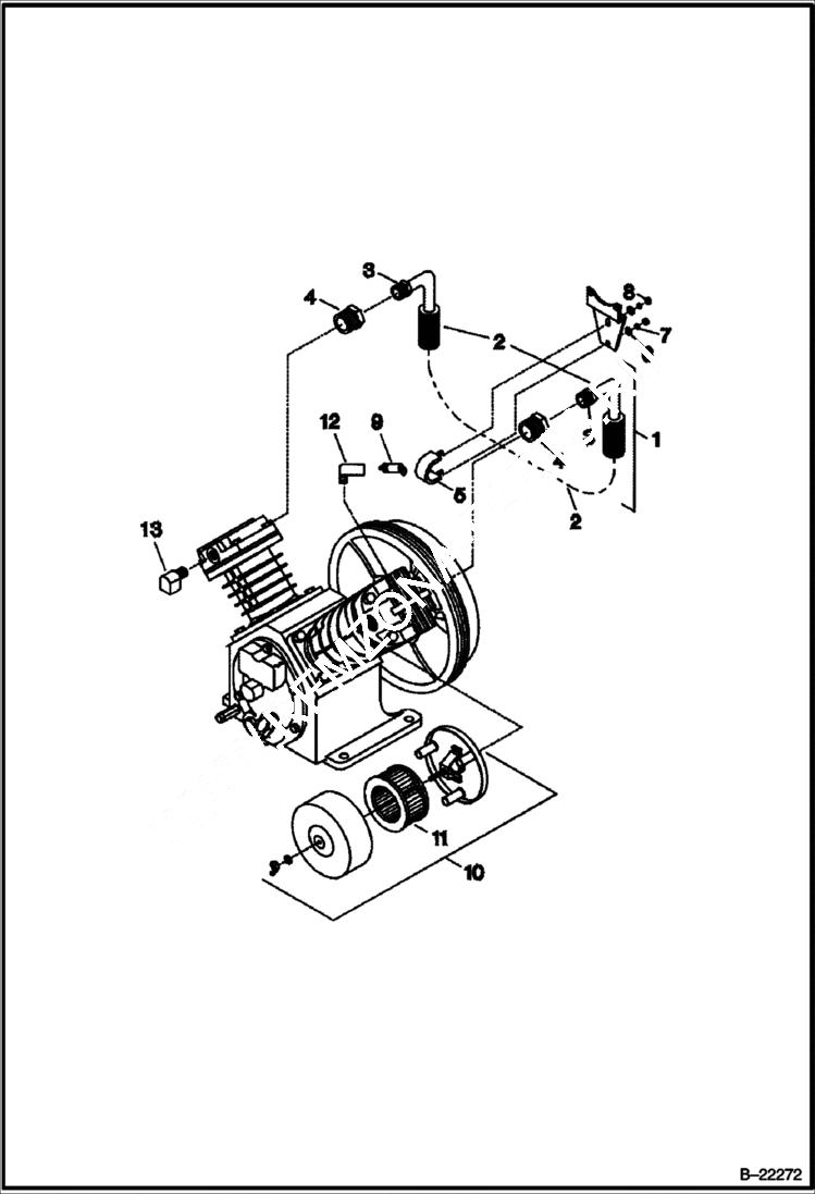
Запчасти Bobcat AIR COMPRESSOR COMPRESSOR PUMP MAIN FRAME

Схема запчастей Bobcat AIR COMPRESSOR - COMPRESSOR PUMP MAIN FRAME
FIT
1:1
100%

Артикул

Название

Примечание

Количество

1

IR97331003

INTERCOOLER assy

2

IR97330997

INTERCOOLER

3

IR95108577

NUT

4

IR95083275

CONNECTOR

5

IR32247942

CLAMP

6

IR95094298

WASHER

7

IR32035479

WASHER lock

8

IR95416335

NUT

9

IR72062185

VALVE relief

10

IR32170953

FILTER inlet

11

IR32170979

ELEMENT

12

IR37143542

ELBOW

13

IR95031795

ELBOW

Выбрано товаров: 0