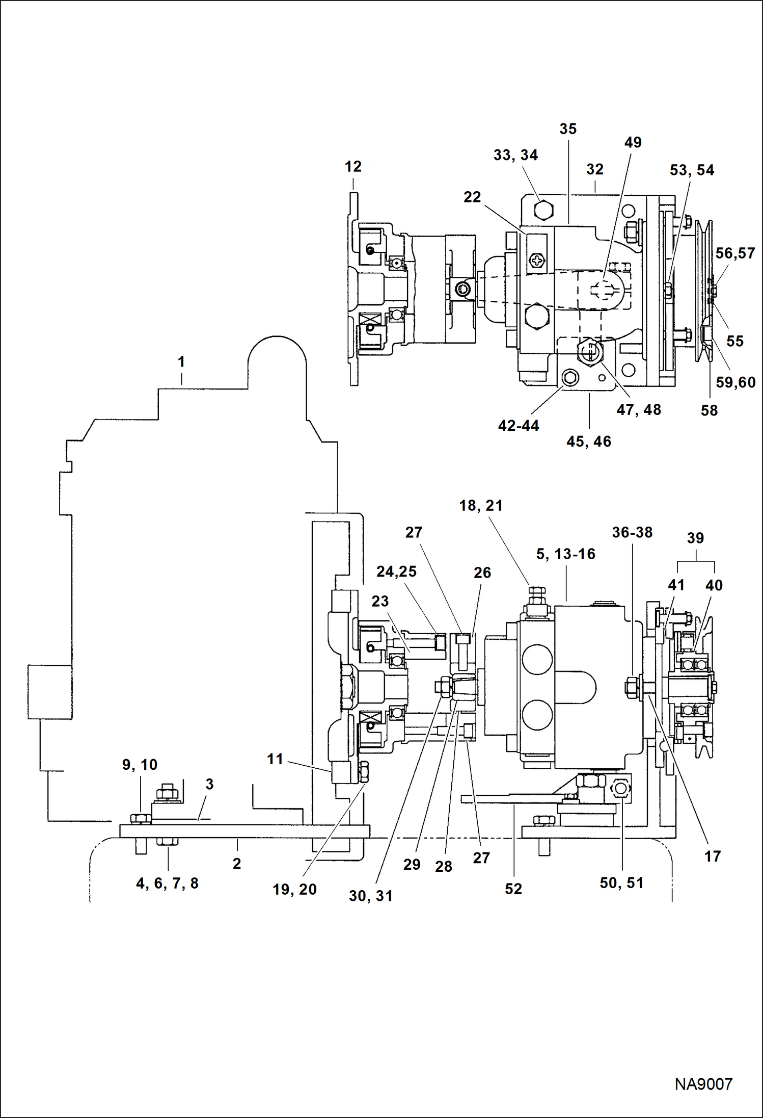
Запчасти Bobcat DOUBLE DRUM ROLLER ENGINE POWER UNIT

Схема запчастей Bobcat DOUBLE DRUM ROLLER - ENGINE POWER UNIT
FIT
1:1
100%

Артикул

Название

Примечание

Количество

1

7030513

ENG ASSY

2

7030578

MOUNT, ENG

3

7030579

PLATE base

4

7030580

BOLT

5

7030606

O-RING charge

6

7030547

WASHER

7

7030760

NUT

8

7031066

WASHER, SPRING

9

7031140

BOLT

10

7031066

WASHER, SPRING

11

7031624

PLATE clutch - Was 7030581 - A

12

7030486

CLUTCH, ASSY drive

13

7031115

SEAL, OIL trunnion

14

7030605

FLANGE, SEAL oil

15

7030604

SEAL charge oil

16

7030603

KIT, SEAL

17

7030602

SET SCREW

18

7031145

NUT

19

7030762

BOLT

20

7031066

WASHER, SPRING

21

7030601

BOLT

22

7030600

STOP

23

7030582

SPACER coupling

24

7030583

BOLT

25

7031127

WASHER

26

7030584

COUPLER

27

7030585

BOLT

28

7030586

COUPLER boss

29

7030587

COUPLER shaft

30

7030760

NUT

31

7031066

WASHER, SPRING

32

7030588

MOUNT, PUMP

33

7031140

BOLT

34

7031066

WASHER, SPRING

35

7030509

PUMP, HYD

36

7030589

NUT

37

7031066

WASHER, SPRING

38

7031070

WASHER

39

VIBRATION CLUTCH ASSY W/Ref. 40-52

40

7030487

DISC, ASSY

41

7030488

PLATE, CLUTCH

42

7030599

WASHER

43

7031147

WASHER, SPRING

44

7030598

BOLT

45

7030597

SPACER ball

46

7030596

PLATE ball

47

7030595

NUT

48

7030594

PLUNGER

49

7030593

PIN, SPRING

50

7031066

WASHER, SPRING

51

7031132

BOLT

52

7030592

LEVER, CONTROL pump

53

7031141

BOLT

54

7031135

WASHER, SPRING

55

7030590

WASHER

56

7030591

BOLT

57

7031147

WASHER, SPRING

58

7030527

PULLEY clutch

59

7030761

BOLT

60

7031127

WASHER

Выбрано товаров: 60