Качественные детали и логистика
Оригинальные и аналоговые запчасти с доставкой по России, Казахстану и Беларуси
©2022 PartSell ООО "Система" ИНН 2463123282 ОГРН 1212400004838
Центральный офис: г. Красноярск, Академика Киренского, д.87, пом.4
Телефон: 8 (800) 777-65-74 Email: zakaz@partsell.ru
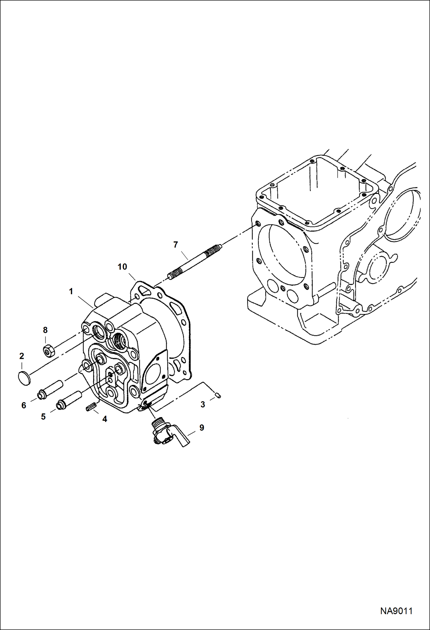
ENGINE (Cylinder)
№
Артикул
Название
Примечание
Количество
1
7030770
HEAD, CYL ASSY W/Ref. 2-6
2
7030900
PLUG
3
7030901
4
7030902
PIN, SPRING
5
7030768
GUIDE, VALVE inlet
6
7030769
GUIDE, VALVE exhaust
7
7030903
STUD cylinder head
8
7030867
NUT cylinder head
9
7030872
VALVE, DRAIN
10
7030865
GASKET, HEAD CYL
Выбрано товаров: 0