Запчасти Bobcat DOUBLE DRUM ROLLER ENGINE (Fan) POWER UNIT

Схема запчастей Bobcat DOUBLE DRUM ROLLER - ENGINE (Fan) POWER UNIT
FIT
1:1
100%

Артикул

Название

Примечание

Количество

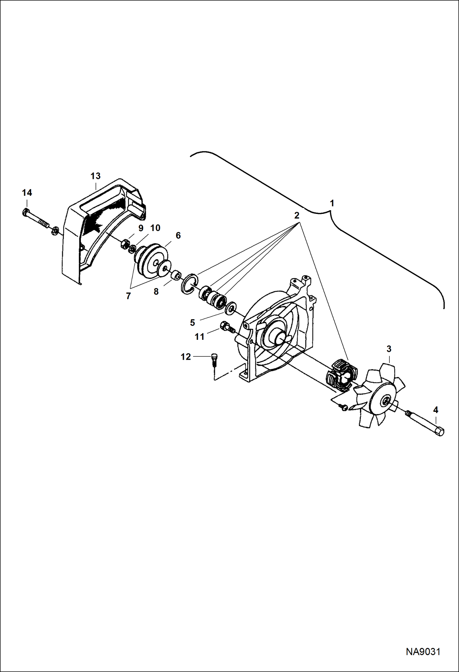
1

7030851

FAN, COOLING W/Ref. 2-10

2

7030803

BRACKET, ASSY

3

7030852

FAN, COOLING

4

7031041

SHAFT

5

7031042

WASHER

6

7030877

PULLEY, FAN ENG

7

7031046

WASHER

8

7031043

BUSHING

9

7031044

NUT

10

7031045

WASHER, SPRING

11

7030983

BOLT

12

7031047

BOLT

13

7031048

COVER

14

7031049

BOLT

Выбрано товаров: 14