Запчасти Bobcat DOUBLE DRUM ROLLER ENGINE (Injection Pump) POWER UNIT

Схема запчастей Bobcat DOUBLE DRUM ROLLER - ENGINE (Injection Pump) POWER UNIT
FIT
1:1
100%

Артикул

Название

Примечание

Количество

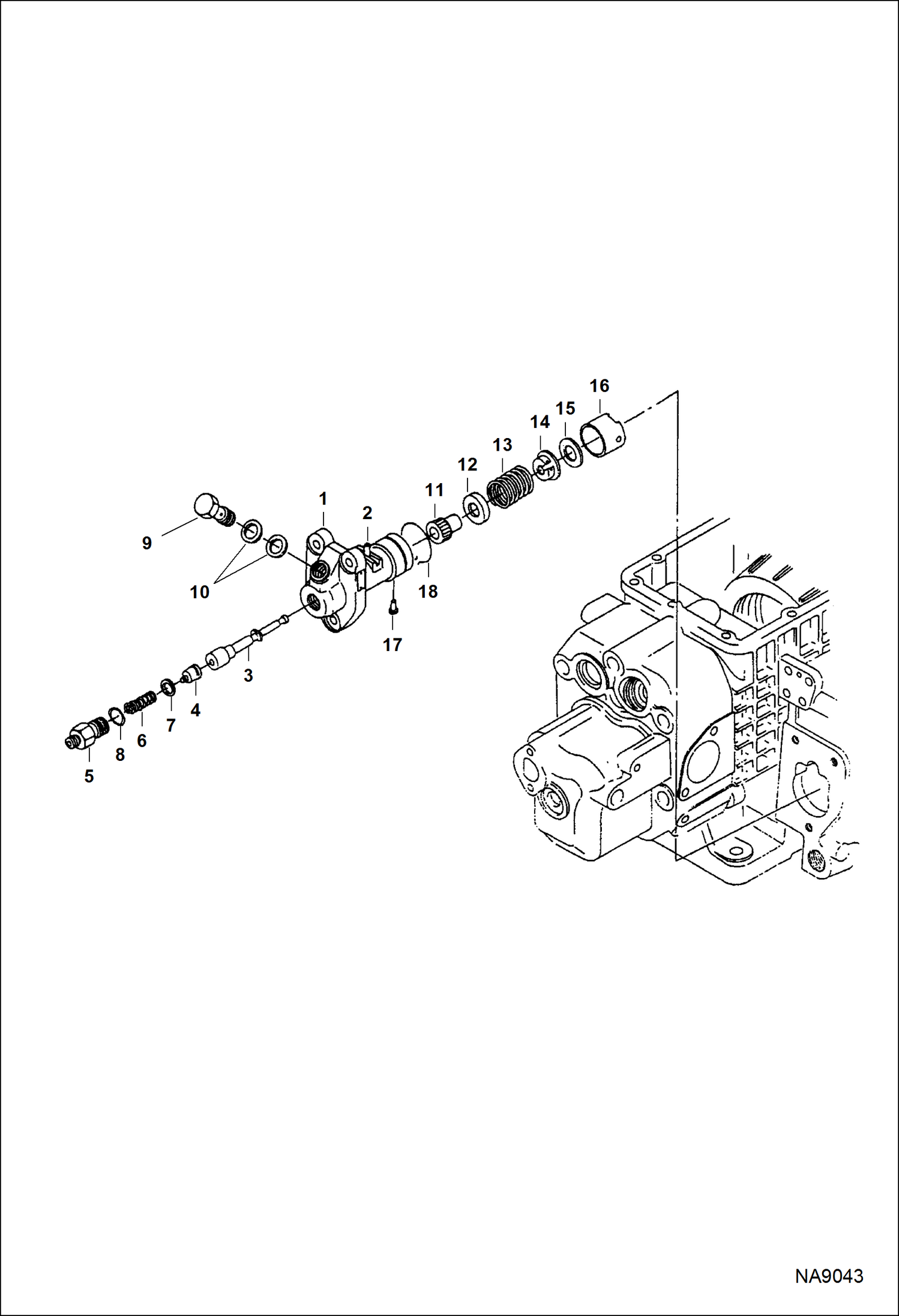
1

7030790

PUMP, FUEL INJ W/Ref. 2-18

2

CONTROL RACK NSS - Order Ref. 1

3

PUMP PLUNGER NSS - Order Ref. 1

4

DELIVERY VALVE NSS - Order Ref. 1

5

DELIVERY VALVE BRACKET NSS - Order Ref. 1

6

DELIVERY VALVE SPRING NSS - Order Ref. 1

7

DELIVERY VALVE GASKET NSS - Order Ref. 1

8

O-RING NSS - Order Ref. 1

9

SCREW NSS - Order Ref. 1

10

GASKET NSS - Order Ref. 1

11

CONTROL SLEEVE NSS - Order Ref. 1

12

UPPER SPRING SEAT NSS - Order Ref. 1

13

PLUNGER SPRING NSS - Order Ref. 1

14

LOWER SPRING SEAT NSS - Order Ref. 1

15

SHIM PLATE NSS - Order Ref. 1

16

TAPPET ASSY NSS - Order Ref. 1

17

TAPPET GUIDE PIN NSS - Order Ref. 1

18

CLAMP PIN NSS - Order Ref. 1

Выбрано товаров: 18