Запчасти Bobcat DOUBLE DRUM ROLLER HYDRAULIC HYDRAULIC SYSTEM

Схема запчастей Bobcat DOUBLE DRUM ROLLER - HYDRAULIC HYDRAULIC SYSTEM
FIT
1:1
100%

Артикул

Название

Примечание

Количество

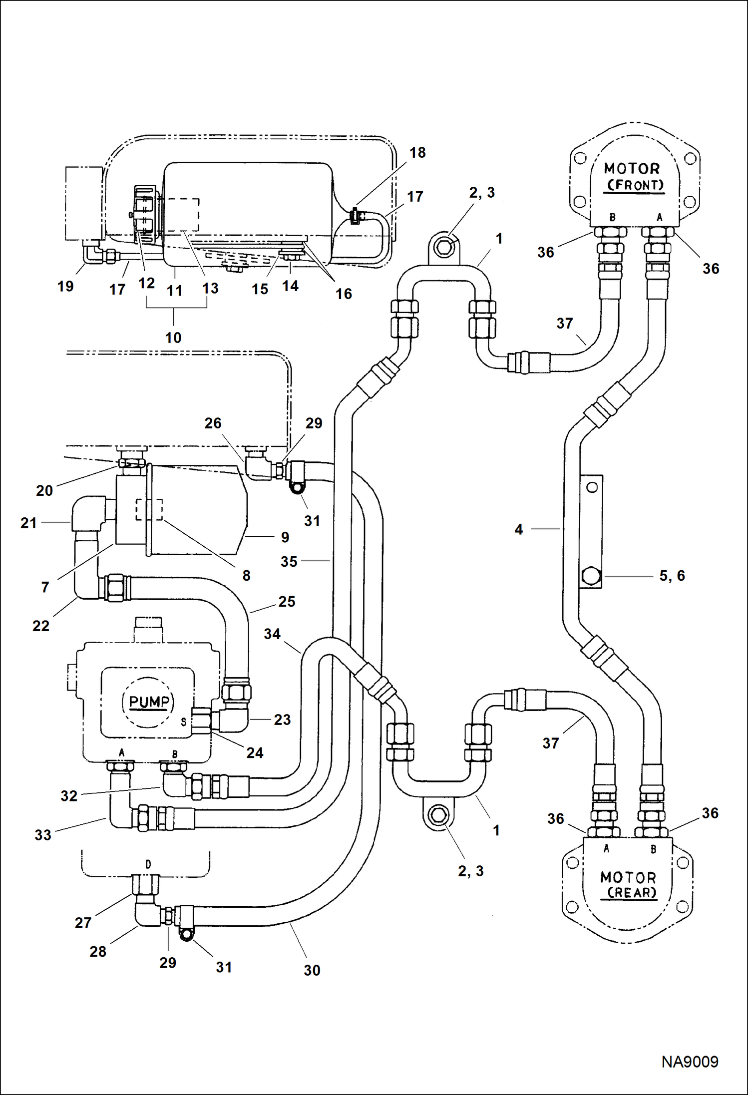
1

7030702

TUBELINE

2

7030763

BOLT

3

7031127

WASHER

4

7030504

HOSE, HYD TUBE ASSY (D)

5

7031069

BOLT

6

7031066

WASHER, SPRING

7

7030703

HEAD, FILTER

8

7031154

FITTING

9

7031155

FILTER, OIL HYD

10

7030544

TANK, HYD ASSY W/Ref. 11-13

11

HYDRAULIC TANK NSS - Order Ref. 10

12

7030545

CAP hyd tank

13

7030515

FILTER, OIL HYD

14

7031071

BOLT

15

7030492

WASHER

16

7030543

WASHER

17

7030516

HOSE, RETURN

18

7030517

BAND, HOSE

19

7030508

FITTING, ELBOW

20

7030704

FITTING

21

7031119

FITTING, ELBOW

22

7030705

FITTING, ELBOW

23

7030706

FITTING, ELBOW

24

7030707

BUSHING

25

7030500

HOSE HYD ASSY (E) SL

26

7030708

FITTING, ELBOW

27

7030707

BUSHING

28

7030709

FITTING, ELBOW

29

7031150

JOINT, HOSE

30

7030710

HOSE HYD ASSY

31

7031137

BAND, HOSE

32

7030712

FITTING, ELBOW

33

7030711

FITTING, ELBOW (A)

34

7030501

HOSE HYD ASSY (B)

35

7030502

HOSE HYD ASSY

36

7030713

ADAPTER

37

7030503

HOSE HYD ASSY (C)

Выбрано товаров: 0