Запчасти Bobcat GENERATOR MAINFRAME (BG5H) BG5H

Схема запчастей Bobcat GENERATOR - MAINFRAME (BG5H) BG5H
FIT
1:1
100%

Артикул

Название

Примечание

Количество

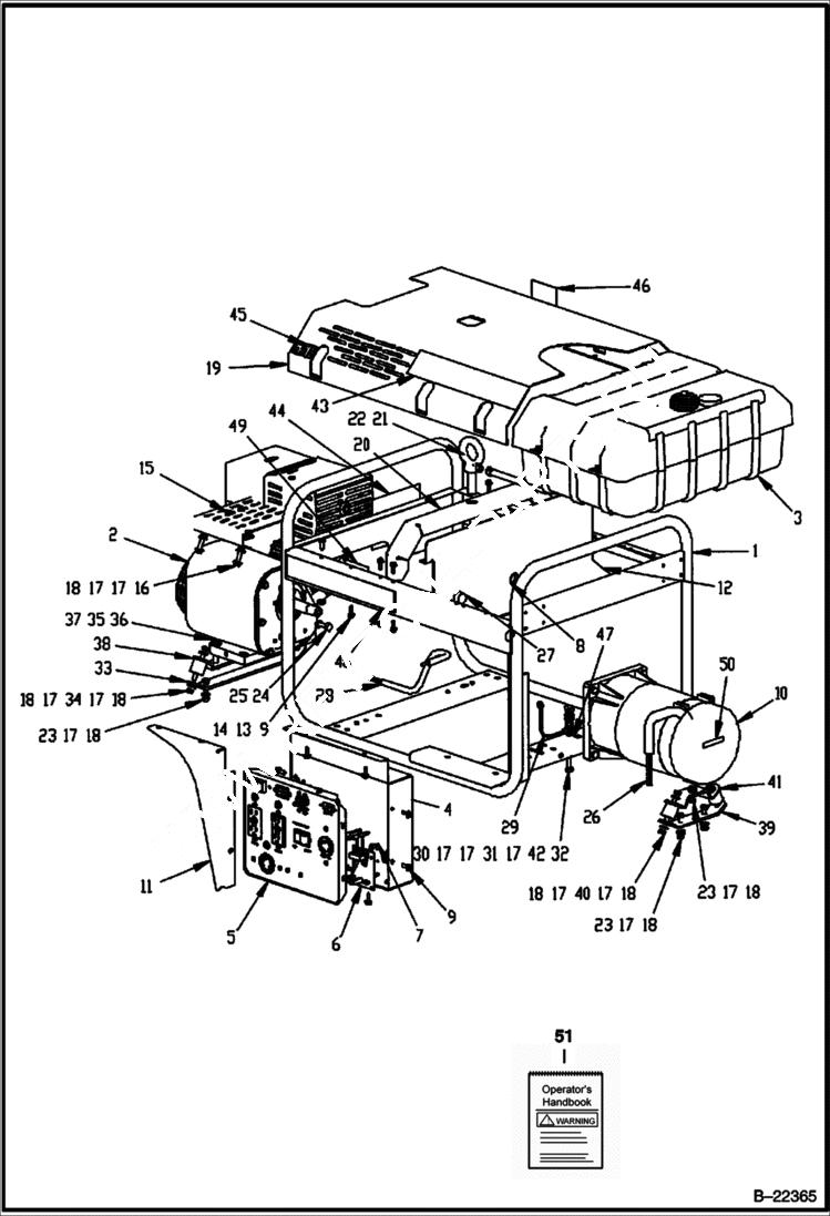
1

IR24897803

FRAME assy low profile

2

IR24897787

HONDA GX270

2

IR54573928

AIR FILTER

2

IR24898264

SPARK PLUG

2

IR24898256

WRENCH

3

FUEL SYSTEM See Illustration FUEL GROUP/ B22367

4

IR24898124

box control panel

5

IR24898140

5kw panel See Illustration CONTROL PANEL/ B22366 COMMERCIAL

6

IR24898173

ISOLATOR idle control

7

IR24898496

spacer 1/2''

8

IR24897951

GROMMET

9

IR24898371

BOLT

10

IR24897506

ALTERNATOR See Illustration ALTERNATOR/ B22369 E1-130

10

IR24897837

BEARING rear

10

IR24897894

DIODE

10

IR24897902

VARISTOR

10

IR24897886

CAPACITOR

11

IR24898447

SHIELD control panel

12

IR24898421

shield

13

IR24898694

WASHER

14

IR24898090

NUT

15

SOLENIOD See Illustration IDLE CONTROL/ B22368 IDLE CONTROL

16

IR24898405

BOLT

17

IR24898736

WASHER

18

IR24898108

nut

19

IR24898454

SHIELD overhead

20

IR24897829

FRAME lifting

21

IR24898363

EYEBOLT

22

IR24898074

NUT

23

IR24898389

BOLT

24

IR24898355

BOLT

25

IR24898710

WASHER

26

IR24898199

AC WIRING

27

IR24897605

PLUG

28

IR24897977

HARNESS ON/OFF Switch

29

IR24898777

GROUND WIRE

30

IR24898066

wing nut

31

IR24898058

NUT

32

IR24898348

BOLT

33

IR24898520

MOUNT lower isolator

34

IR24898645

ISOLATOR vibration

35

IR24898744

WASHER

36

IR24898116

NUT

37

IR24898413

BOLT

38

IR24898512

SUB-FRAME engine

39

IR24898546

ISOLATOR alternator

40

IR24898637

ISOLATOR vibration

41

IR24898538

SUB-FRAME alternator

42

IR24898702

WASHER

43

6731336

DECAL Bobcat - black

44

6731337

DECAL, LOGO BOBCAT HEAD Bobcat Head

45

6902454

DECAL BG5H

46

IR24897746

DECAL Hot

47

IR24897720

DECAL Ground

48

IR24897753

DECAL 3 language

49

DECAL NSS - Serial Number

50

IR22263487

DECAL Neutral Bonded

50

IR22256432

MANUAL owner's

51

IR22256432CD

OM, BG5H BGE7H GENERATOR CD

Выбрано товаров: 59