Качественные детали и логистика
Оригинальные и аналоговые запчасти с доставкой по России, Казахстану и Беларуси
©2022 PartSell ООО "Система" ИНН 2463123282 ОГРН 1212400004838
Центральный офис: г. Красноярск, Академика Киренского, д.87, пом.4
Телефон: 8 (800) 777-65-74 Email: zakaz@partsell.ru
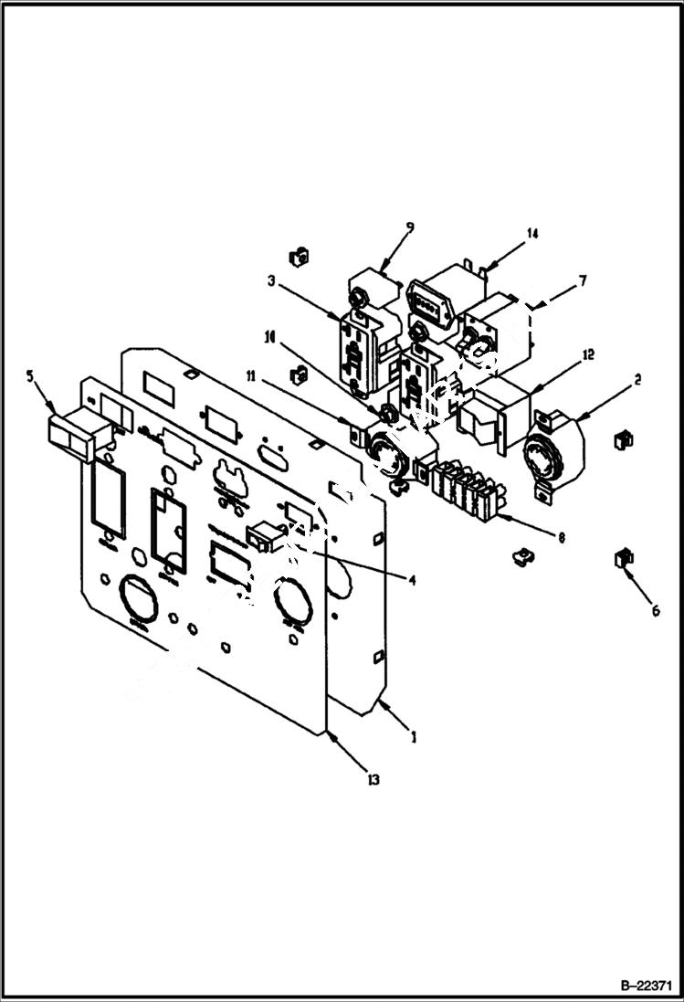
CONTROL PANEL (BGE7H)
№
Артикул
Название
Примечание
Количество
1
IR24898165
panel face G5/G7
2
IR24898223
TWIST 30A 125/250V
3
IR24898215
20A GFCI
4
IR24898553
ON-OFF SWITCH ON-OFF
5
IR24898579
ROCKER SWITCH OFF-ON-(Mom)
6
IR24898082
NUT
7
IR24897647
BREAKER 30A 2-Pole
8
IR24898603
connector 5 Position
9
IR24897621
breaker 20A Thermal
10
IR24897639
BREAKER 30A Thermal
11
IR24898231
RECEPTACLE 30A/125V
12
IR24898561
SWITCH 3 Pole - 2 Postion On-On
13
IR24897712
OVERLAY G7HE
14
IR24897993
HOURMETER
Выбрано товаров: 0