Запчасти Bobcat GENERATOR MAIN FRAME (BG3H) BG3H

Схема запчастей Bobcat GENERATOR - MAIN FRAME (BG3H) BG3H
FIT
1:1
100%

Артикул

Название

Примечание

Количество

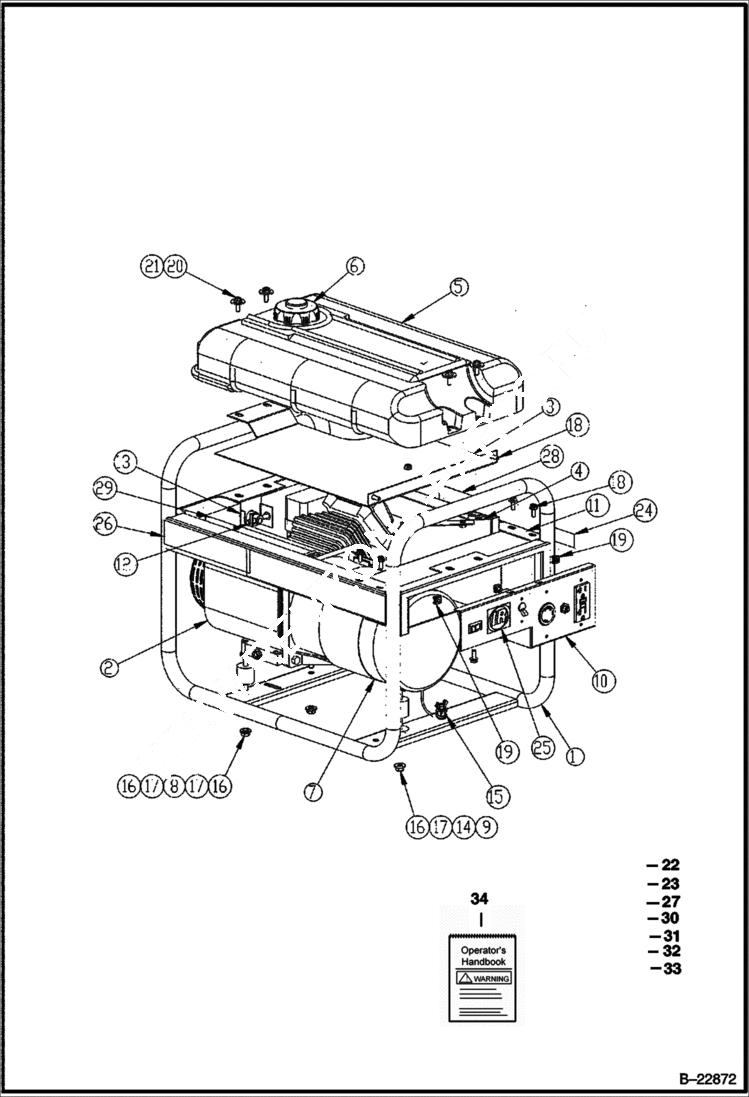
1

IR16533846

FRAME ASSY

2

HONDA NLA - GX390 - Was IR16534026 - A

2

IR16534018

AIR CLEANER

2

IR24898264

SPARK PLUG

3

IR16534000

shield heat

4

IR16533994

shield muffler

5

IR16533986

TANK

6

IR16533978

FUEL CAP

7

IR16533960

ALTERNATOR 3 kW

7

IR16533952

CAPACITOR

7

IR16533945

DIODE

7

IR16533820

BALL BEARING rear

8

IR16533929

ISOLATOR

9

IR16534034

ISOLATOR vibro

10

IR16533903

PANEL ASSY See Illustration CONTROL PANEL/ B22873

11

IR16533895

BOX control panel

12

IR16533887

FUEL VALVE

13

IR16533879

bracket fuel valve

14

IR16533721

SPACER

15

WIRE ASSY NSS - ground

16

IR16533671

NUT

17

IR16533663

WASHER

18

IR16533853

BOLT

19

IR24898082

NUT

20

IR16534091

BOLT

21

IR16533838

WASHER

22

IR16533937

WASHER

23

IR16533911

nut

24

IR22363014

DECAL Model G3

25

IR22363022

decal IR Logo

26

6903960

DECAL, BG3H LOGO 1'' X 4'' (WHITE) Was 6902795 - A

27

IR24897753

DECAL warning

28

IR24897746

DECAL hot

29

IR24897738

SERIAL NUMBER DECAL Serial Number

30

6727324

DECAL, LOGO BOBCAT AND HEAD

31

6902807

OM, BG GENERATOR

32

IR22263487

DECAL Neutral Bonded

33

IR24897720

DECAL Ground

34

IR22256432CD

OM, BG5H BGE7H GENERATOR CD

Выбрано товаров: 39