Запчасти Bobcat PRESSURE WASHER FRAME ASSEMBLY (2000 PSI) FRAME

Схема запчастей Bobcat PRESSURE WASHER - FRAME ASSEMBLY (2000 PSI) FRAME
FIT
1:1
100%

Артикул

Название

Примечание

Количество

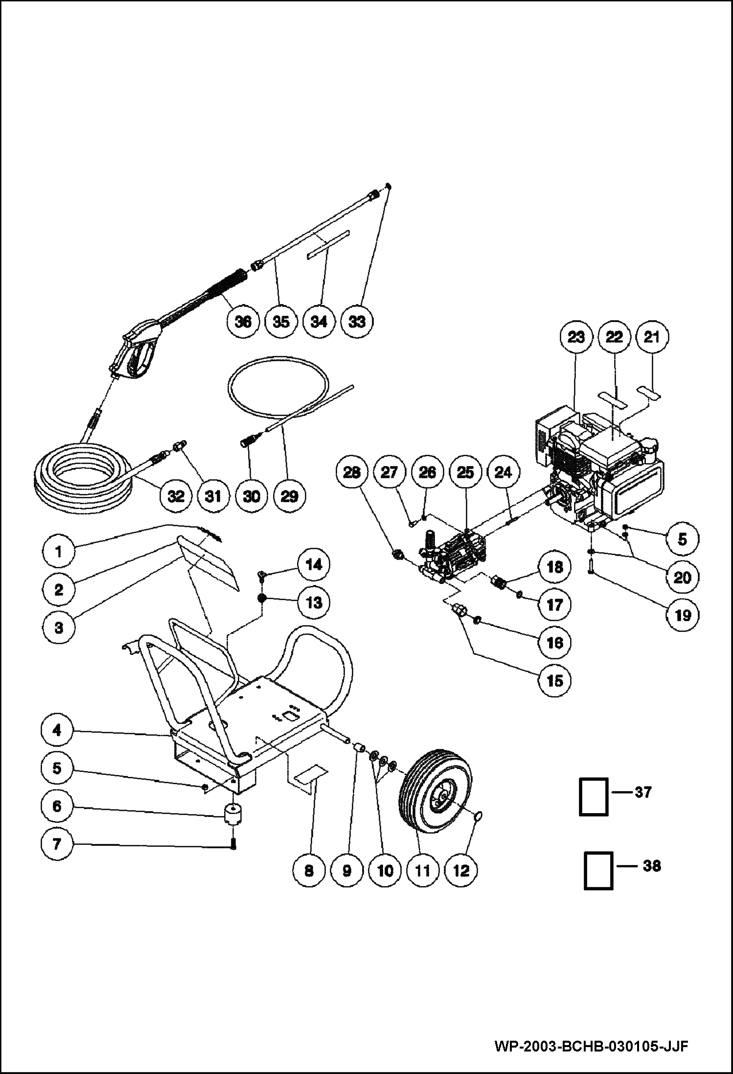
1

MM34-0771

2000 PSI WHITE DIE CUT

2

MM34-1397

DECAL

3

DECAL NLA - Warning/Caution/Operating (E/S) - Order Ref. 38

4

MM5-0178A06

FRAME ASSEMBLY-SMALL

5

MM30-0157

HEX NYLON LOCKNUT-ZINC 5/16-18

6

MM14-0008

ISOLATOR 2'' OD X 1.75

7

MM27-0068

HHCS-ZI GR5 5/16-18 X 1-1/4

8

DECAL NLA - Data Plate - Order Ref. 38

9

MM20-0313A01

AXLE SPACER - BLACK

10

MM28-0008

WASHER-ZI SAE TYPE A 5/8

11

MM14-0017

WHEEL PHEU 4.10/3.50-4 5/8BORE

12

MM33-0018

CAP HUB 5/8''

13

MM33-0001

GROMMET 1/2 X 1 X 1/8

14

MM18-0258

NOZZLE 15035 SAQ MEG

14

MM18-0259

NOZZLE 25035 SAQ MEG

14

MM18-0148

NOZZLE 6540 1/4MQC

15

MM23-0001

GARDEN HOSE-SWIV 1/2FX3/4F-BR

16

MM19-0001

FILTER-INLET WASHER W/SCREEN

17

MM25-0123

O-RING 1/2 X 11/16

18

MM17-0004

QC 3/8FX3/8 SOCKET BRASS

19

MM27-0070

HHCS-ZI GR5 5/16-18 X 1-3/4

20

MM28-0003

WASHER-ZI SAE TYPE A 5/16

21

DECAL NLA - Caution: Allow to Cool (E/S) - Order Ref. 38

22

DECAL NLA - Warning: Muffler Hot (E/S) - Order Ref. 38

23

MM1-0104

ENGINE HONDA 5.0 HP RECOIL OHC

24

MM43-0073

KEY - 3/16'' X 1-7/8''

25

MM3-0191

PUMP - DIRECT DRIVE - GASOLINE

26

MM29-0007

LOCKWASHER-ZINC MED 5/16

27

MM27-0846

BOLT

28

MM22-0208

VALVE - THERMAL 1/4'' NPT MALE

29

DETERGENT HOSE NLA - 48'' (1219,2 mm) long - Order Ref. 37

30

MM19-0050

STRAINER CHEMICAL WO/CK

31

MM17-0006

QC 3/8F X 3/8 PLUG SS

32

MM15-0138

HOSE 3/8IDX25FT 3/8MX3/8M SWVL

33

MM25-0122

O-RING

34

DECAL NLA - Risk of Injection (E/S) - Order Ref. 38

35

MM16-0366

ASS'Y-LANCE 1/4 TUBE ZINC PLAT

36

MM16-0364

GUN & WAND AL9 3/8 FNPT INLET

37

MM15-0021

HOSE 1/4 ID CLEAR CHEMI bulk - sold per foot

38

MM34-9005

DECAL SET-JP,WP,CD GAS, GRAIN Ref. 3, 8, 21, 22 & 34

Выбрано товаров: 40