Запчасти Bobcat PRESSURE WASHER FRAME ASSEMBLY FRAME

Схема запчастей Bobcat PRESSURE WASHER - FRAME ASSEMBLY FRAME
FIT
1:1
100%

Артикул

Название

Примечание

Количество

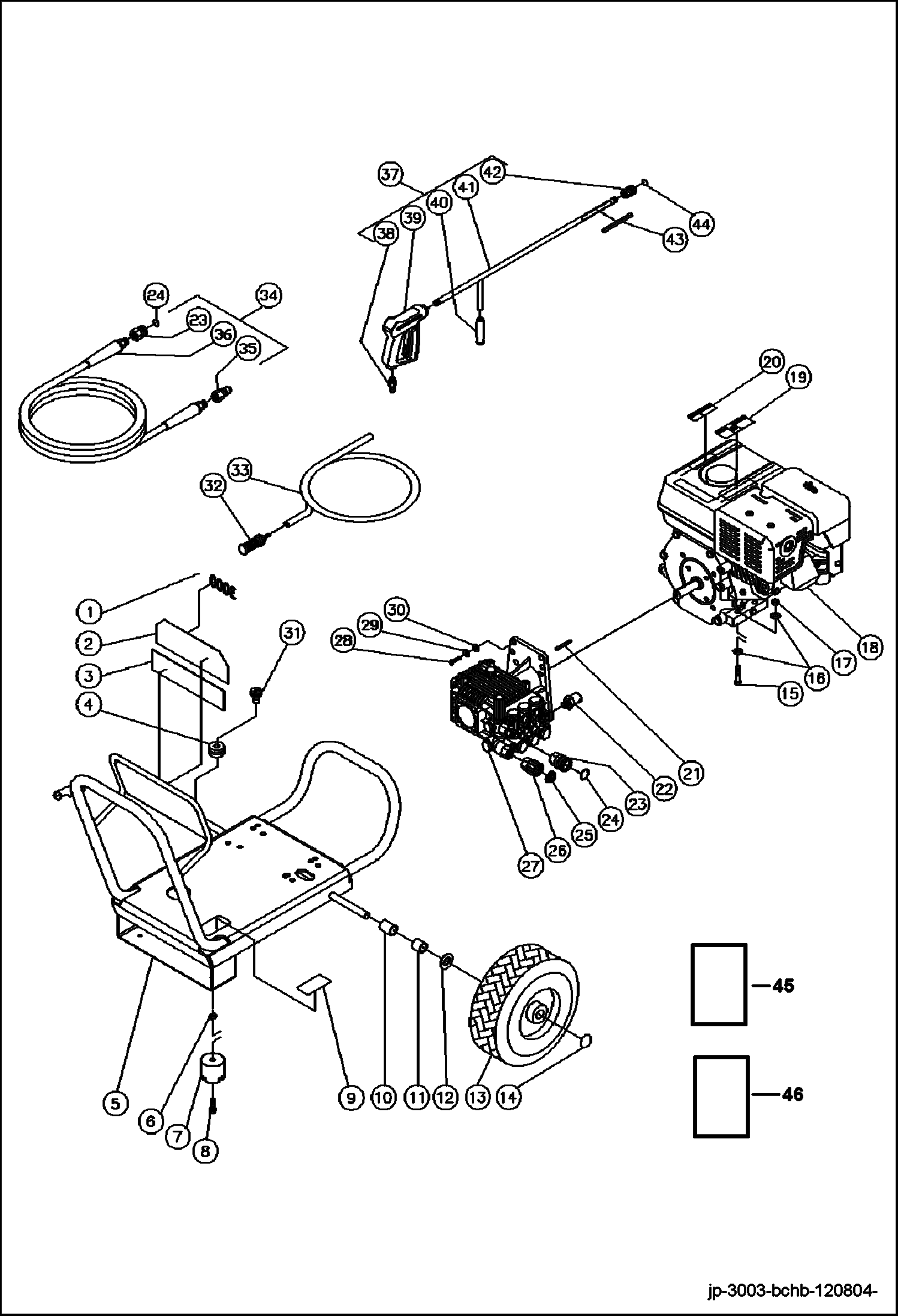
1

MM34-0775

3000 PSI WHITE DIE CUT

2

MM34-1397

DECAL

3

DECAL NLA - Warning/Caution/Operating (E/S) - Order Ref. 46

4

MM33-0001

GROMMET 1/2 X 1 X 1/8

5

MM5-0179A06

FRAME ASMBLY

6

MM27-0068

HHCS-ZI GR5 5/16-18 X 1-1/4

7

MM14-0008

ISOLATOR 2'' OD X 1.75

8

MM30-0157

HEX NYLON LOCKNUT-ZINC 5/16-18

9

Decal-Data Plate - NLA -

10

MM20-0313A01

AXLE SPACER - BLACK

11

MM20-0314A01

AXLE SPACER-7/8''ODX1/2'' BLACK

12

MM28-0008

WASHER-ZI SAE TYPE A 5/8

13

MM14-0017

WHEEL PHEU 4.10/3.50-4 5/8BORE

14

MM33-0018

CAP HUB 5/8''

15

MM27-0121

HHCS-ZI GR5 3/8-16 X 2

16

MM28-0023

WASHER-ZI STANDARD 3/8

17

MM30-0159

HEX NYLON LOCKNUT-ZINC 3/8-16

18

MM1-0065

ENGINE HONDA 9.0 HP RECOIL

19

DECAL NLA - Warning: Muffler Hot (E/S) - Order Ref. 46

20

DECAL NLA - Caution: Allow to Cool (E/S) - Order Ref. 46

21

MM43-0078

KEY - 1/4''SQ X 2-1/8''

22

MM22-0005

VALVE HEAT DUMP 145D

23

MM17-0004

QC 3/8FX3/8 SOCKET BRASS

24

MM25-0123

O-RING 1/2 X 11/16

25

MM19-0001

FILTER-INLET WASHER W/SCREEN

26

MM23-0095

SWIV 1/2MX3/4F GARDEN HOSE -BR

27

MM3-0147

PUMP DIRECT DRIVE GASOLINE

28

MM27-0118

HHSC-ZI GR5 3/8-16 X 1-1/4

29

MM29-0008

LOCKWASHER-ZINC MED 3/8

30

MM28-0022

WASHER-ZI STANDARD 5/16

31

MM18-0148

NOZZLE 6540 1/4MQC

31

MM18-0259

NOZZLE 25035 SAQ MEG

31

MM18-0258

NOZZLE 15035 SAQ MEG

31

MM18-0257

NOZZLE 00035 SAQ MEG

32

MM19-0050

STRAINER CHEMICAL WO/CK

33

DETERGENT HOSE NLA - 48'' (1219,2 mm) long - Order Ref. 45

34

3000 PSI 50'X3/8'' PSI HOSE WITH QC NLA - Was MM851-0007 - A

35

MM17-0006

QC 3/8F X 3/8 PLUG SS

36

MM15-0003

HOSE 3/8X50'3/8M 3000 PSI

37

MM851-0095

GUN ASMBLY

38

MM17-0005

QC 3/8MX3/8 PLUG SS

39

MM16-0001

TRIGGER GUN 4000 PSI

40

MM7-0002

GRIP-RUBBER FOR WAND

41

MM16-0120A01

WAND-36'' W/HANDLE BLACK

42

MM17-0001

QC 1/4FX1/4 SOCKET BRASS

43

DECAL NLA - Warning: Risk of Injection (E/S) - Order Ref. 46

44

MM25-0122

O-RING

45

MM15-0021

HOSE 1/4 ID CLEAR CHEMI bulk - sold per foot

46

MM34-9018

DECAL SET - JP GAS Ref. 3, 19, 20 & 43

Выбрано товаров: 49