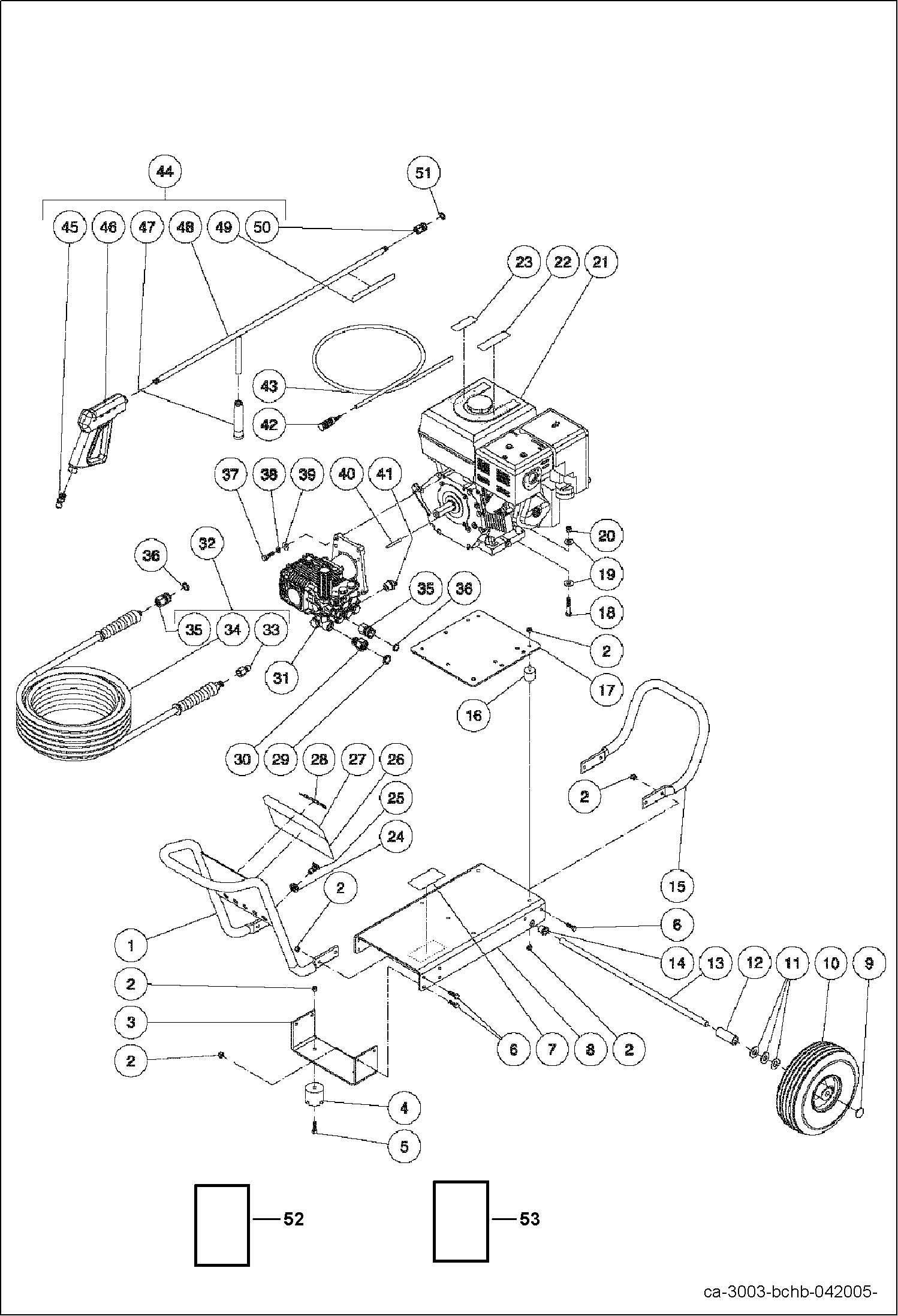
Запчасти Bobcat PRESSURE WASHER FRAME ASSEMBLY FRAME

Схема запчастей Bobcat PRESSURE WASHER - FRAME ASSEMBLY FRAME
FIT
1:1
100%

Артикул

Название

Примечание

Количество

1

MM7-0182

HANDLE FRONT-9.80X1'' ALUMINUM

2

MM30-0157

HEX NYLON LOCKNUT-ZINC 5/16-18

3

MM56-0054

UNDERBRACKET - DD ALUMINUM

4

MM14-0008

ISOLATOR 2'' OD X 1.75

5

MM27-0068

HHCS-ZI GR5 5/16-18 X 1-1/4

6

MM27-0067

HHCS-ZI GR5 5/16-18 X 1

7

Decal-Data Plate - NLA -

8

MM5-0207

BASEPLATE - LG DD ALUMINUM

9

MM33-0018

CAP HUB 5/8''

10

MM14-0017

WHEEL PHEU 4.10/3.50-4 5/8BORE

11

MM28-0008

WASHER-ZI SAE TYPE A 5/8

12

MM62-0189

AXLE SPACER 2-1/2'' FOR 5/8'' AX

13

MM20-0748

AXLE - 5/8''OD X 22-21/32

14

MM62-0175

FLANGED SLEEVE BUSHING .625 10

15

MM7-0183

HANDLE REAR-9.80X1'' ALUMINUM

16

MM14-0097

VIB/ISO 1-1/4'' DIA X 1'' HEIGHT

17

MM56-0053

ISOLATION PLATE-LG DD ALUMINUM

18

MM27-0121

HHCS-ZI GR5 3/8-16 X 2

19

MM28-0023

WASHER-ZI STANDARD 3/8

20

MM30-0159

HEX NYLON LOCKNUT-ZINC 3/8-16

21

MM1-0065

ENGINE HONDA 9.0 HP RECOIL

22

DECAL NLA - Warning: Risk of Burns - Order Ref. 53

23

DECAL NLA - Caution: Risk of Fire - Order Ref. 53

24

MM33-0001

GROMMET 1/2 X 1 X 1/8

25

MM18-0257

NOZZLE 00035 SAQ MEG

25

MM18-0258

NOZZLE 15035 SAQ MEG

25

MM18-0259

NOZZLE 25035 SAQ MEG

26

DECAL NLA - Warning/Caution/Operation - Order Ref. 53

27

MM34-1397

DECAL

28

MM34-0775

3000 PSI WHITE DIE CUT

29

MM19-0001

FILTER-INLET WASHER W/SCREEN

30

MM23-0095

SWIV 1/2MX3/4F GARDEN HOSE -BR

31

MM3-0147

PUMP DIRECT DRIVE GASOLINE

32

3000 PSI 50'X3/8'' PSI HOSE WITH QC NLA - Was MM851-0007 - A

33

MM17-0006

QC 3/8F X 3/8 PLUG SS

34

MM15-0003

HOSE 3/8X50'3/8M 3000 PSI

35

MM17-0004

QC 3/8FX3/8 SOCKET BRASS

36

MM25-0123

O-RING 1/2 X 11/16

37

MM27-0118

HHSC-ZI GR5 3/8-16 X 1-1/4

38

MM29-0008

LOCKWASHER-ZINC MED 3/8

39

MM28-0022

WASHER-ZI STANDARD 5/16

40

MM43-0078

KEY - 1/4''SQ X 2-1/8''

41

MM22-0005

VALVE HEAT DUMP 145D

42

MM19-0050

STRAINER CHEMICAL WO/CK

43

DETERGENT HOSE NLA - 48'' (1219,2 mm) long - Order Ref. 52

44

MM851-0095

GUN ASMBLY

45

MM17-0005

QC 3/8MX3/8 PLUG SS

46

MM16-0001

TRIGGER GUN 4000 PSI

47

MM7-0002

GRIP-RUBBER FOR WAND

48

MM16-0418

WAND-36'' W/HANDLE CHROME

49

DECAL NLA - Warning: Risk of Injection - Order Ref. 53

50

MM17-0001

QC 1/4FX1/4 SOCKET BRASS

51

MM25-0122

O-RING

52

MM15-0021

HOSE 1/4 ID CLEAR CHEMI bulk - sold per foot

53

MM34-9014

DECAL SET - CD GAS Ref. 22, 23, 26 & 49

Выбрано товаров: 55