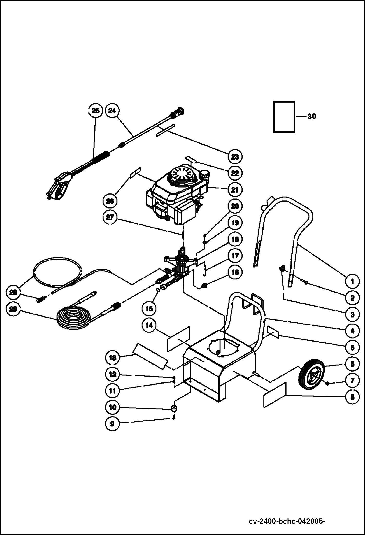
Запчасти Bobcat PRESSURE WASHER FRAME ASSEMBLY FRAME

Схема запчастей Bobcat PRESSURE WASHER - FRAME ASSEMBLY FRAME
FIT
1:1
100%

Артикул

Название

Примечание

Количество

1

MM7-0165A01

HANDLE ASSEMBLY - PAINTED

2

MM31-0051

CARR BOLT-ZI GR2 5/16-18 X 2''

3

MM7-0107

KNOB BLACK 3 PRONG

4

MM5-0168A01

FRAME ASSY - CV BLACK

5

Decal-Data Plate - NLA -

6

MM14-0077

WHEEL 8X1.75X0.5 BORE PLASTIC

7

MM33-0055

HUB CAPS 1/2''

8

DECAL NLA - Warn/Caution/Oper. - Order Ref. 30

9

MM27-0015

HHCS-ZI GR5 1/4-20 X 3/4

10

MM14-0069

ISO/FOOT 1-1/2''DIA X 3/4''TALL

11

MM28-0002

WASHER-ZI SAE TYPE A 1/4

12

MM30-0155

HEX NYLON LOCKNUT-ZINC 1/4-20

13

MM34-1398

DECAL-BOBCAT LOGO

14

DECAL NLA - Warn/Caution/Oper. - Order Ref. 30

15

MM19-0001

FILTER-INLET WASHER W/SCREEN

16

MM22-0208

VALVE - THERMAL 1/4'' NPT MALE

17

MM27-0074

HHCS-ZI GR5 5/16-18 X 2-3/4

18

MM3-0271

PUMP-VERTICAL AXIAL PISTON

19

MM33-0428

ENGINE SPACER

20

MM30-0157

HEX NYLON LOCKNUT-ZINC 5/16-18

21

MM1-0131

ENGINE - HONDA 5.5HP VERTICAL

22

DECAL NLA - Caution: Allow to Cool - Order Ref. 30

23

DECAL NLA - Warning: Risk of Injection - Order Ref. 30

24

MM16-0381

VARIABLE NOZZEL ASMBLY

25

MM16-0365

GUN & WAND AL9 1/4G INLET

26

DECAL NLA - Warning: Muffler Hot - Order Ref. 30

27

MM43-0073

KEY - 3/16'' X 1-7/8''

28

MM19-0233

STRAINER CHEMICAL W/HOSE WO/CK

29

MM15-0239

HOSE-1/4''X30' 2400 PSI 120F

30

MM34-9023

DECAL SET - CV SERIES Ref. 8, 14, 22, 23 & 26

Выбрано товаров: 30