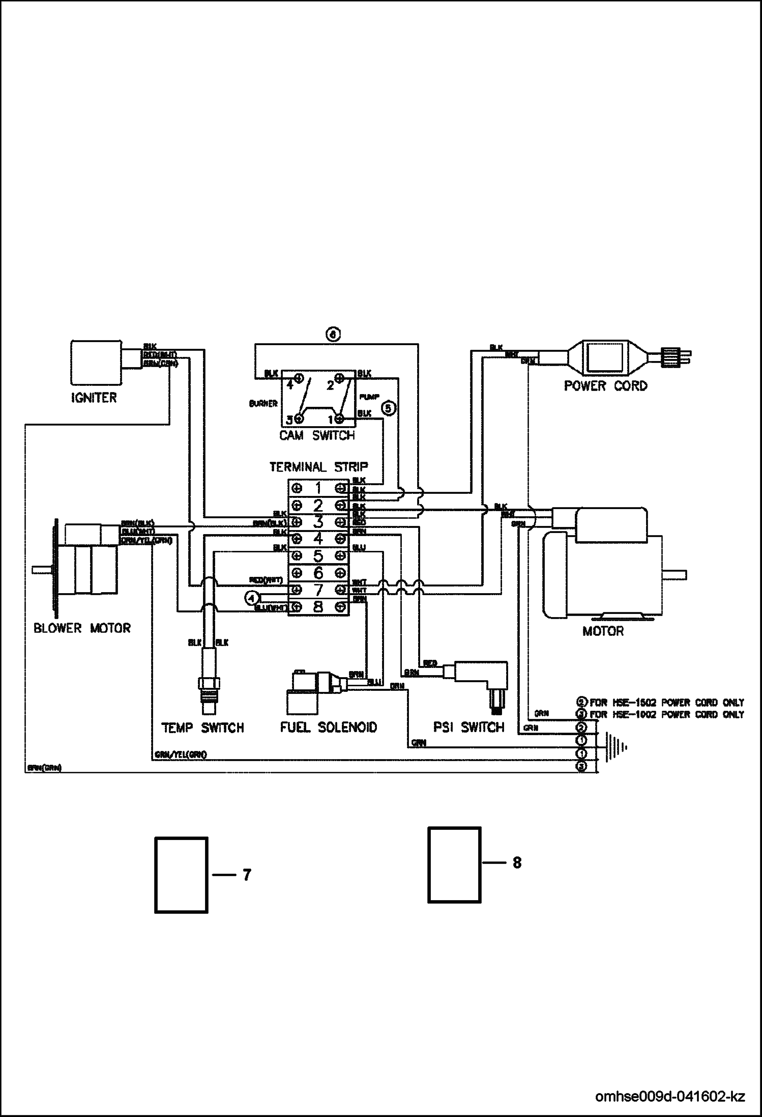
Запчасти Bobcat PRESSURE WASHER WIRE DIAGRAM EQUIPMENT

Схема запчастей Bobcat PRESSURE WASHER - WIRE DIAGRAM EQUIPMENT
FIT
1:1
100%

Артикул

Название

Примечание

Количество

1

MM32-0446

TERMINAL RING

2

MM32-0002

TERMINAL 10GA #10 RING

3

MM32-0044

TERMINAL #6GA 5/16 RING

4

MM32-0453

JUMPER FOR TERMINAL STRIP

5

#12 BLACK WIRE NLA - 24'' (609,6 mm) long - Order Ref.7

6

#16 BLACK WIRE NLA - 12'' (304,8 mm) long - Order Ref. 8

7

MM32-0091

WIRE 12GA - BLACK STRD bulk - sold per foot

8

MM32-0256

WIRE 16GA BLACK TEW bulk - sold per foot

Выбрано товаров: 8