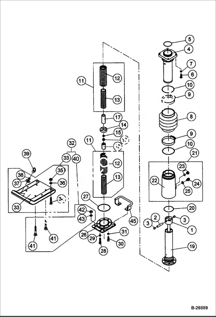
Запчасти Bobcat UPRIGHT RAMMER LOWER SECTION MAIN FRAME

Схема запчастей Bobcat UPRIGHT RAMMER - LOWER SECTION MAIN FRAME
FIT
1:1
100%

Артикул

Название

Примечание

Количество

1

IR58836750

PISTON

2

IR58836792

CRANK ROD PIN

3

IR59841239

NYLON PLUG

4

IR54680301

UPPER CYLINDER

5

IR58836818

O-RING

6

IR59842708

BOLT

7

IR59951632

SPRING WASHER

8

IR54680319

BELLOWS

9

IR54680327

BAND W/NUT

10

IR58836842

O-RING

11

IR54680335

COIL SPRING ASSEMBLY Includes Ref. 12 & 13

12

IR58836859

LARGE COIL SPRING

13

IR54680335

COIL SPRING ASSEMBLY Was IR58836867 - A

14

IR58836875

PISTON GUIDE

15

IR59840140

SPRING WASHER

16

IR58836883

NUT

17

IR58836891

UPPER DAMPER

18

IR58836909

LOWER DAMPER

19

IR58836917

LOWER CYLINDER

20

IR59838334

O-RING

21

IR54680343

PIPE PROTECTOR ASSEMBLY Includes Ref. 22-25

22

PIPE PROTECTOR NSS

23

IR58836933

OIL GAUGE

24

IR59831123

PLUG

25

IR59831131

PACKING

26

IR59840082

CLAMP foot block

27

IR59841460

O-RING

28

IR58836958

SOCKET HEAD BOLT

29

IR59831560

LOCKWASHER

30

IR58836966

SOCKET HEAD BOLT

31

IR59831560

LOCKWASHER

32

IR54680350

FOOT PLATE & BOLT ASSEMBLY Includes Ref. 33 & 40

33

IR54680368

FOOT PLATE ASSEMBLY (STANDARD) 230 mm

33

IR54680376

FOOT PLATE ASSEMBLY (OPTIONAL) 270 mm

33

8'' NARROW FOOT NLA - foot plate assembly - (Optional) - 200mm - Was IR58836974 - A

33

IR58836552

6'' NARROW FOOT NLA - foot plate assembly (optional) - 150 mm - Includes Ref. 34-36, 38 & 39 - Was IR58836552 - A

34

IR59188086

FLUSH BOLT

35

IR59834721

NYLON NUT

36

IR59951632

SPRING WASHER

37

IR59188094

EYE NUT

38

IR59951632

SPRING WASHER

39

IR59188102

WASHER

40

IR54680384

FLUSH BOLT ASSEMBLY Includes Ref. 41-43

41

IR58836982

FLUSH BOLT

42

IR59840454

NYLON NUT

43

IR59237388

SPRING WASHER wave

45

IR54680392

LIFTING HANDLE

Выбрано товаров: 47