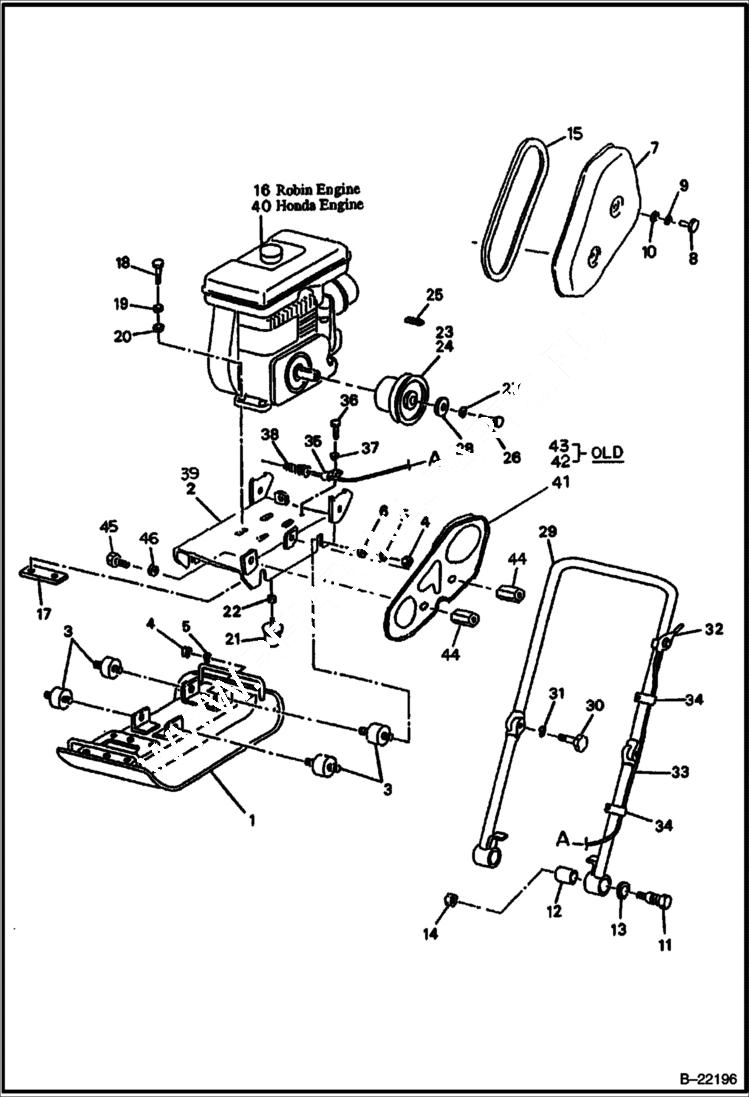
Запчасти Bobcat VIBRATORY PLATE COMPACTOR MAIN FRAME (Vibration, Engine & Controls) MAIN FRAME

Схема запчастей Bobcat VIBRATORY PLATE COMPACTOR - MAIN FRAME (Vibration, Engine & Controls) MAIN FRAME
FIT
1:1
100%

Артикул

Название

Примечание

Количество

1

IR58836008

VIBRATION PLATE

2

IR58837675

ENGINE BED

2

IR58837626

ENGINE BED CE Only

2

IR58836040

CART SHAFT engine bed

2

IR59830885

ENGINE BED

3

IR59830893

RUBBER BUFFER

4

IR58835943

NUT

5

IR59951632

SPRING WASHER Was IR59510065 - A

6

IR59952291

WASHER

7

IR58837683

PULLEY COVER

7

IR58837634

PULLEY COVER CE Only

7

IR58836057

PULLEY COVER

7

IR59830919

PULLEY COVER

8

IR59952242

BOLT

9

IR59951632

SPRING WASHER Was IR59510065 - A

10

IR59952291

WASHER

11

IR59237297

SUPPORT PIN

12

IR59237305

RUBBER BUFFER

13

IR59830950

WASHER

14

IR59839027

NUT

15

IR59843698

V-BELT

16

IR58837774

ROBIN ENGINE See Illustration ROBIN ENGINE/ B27028

16

IR58836347

ENGINE See Illustration ROBIN ENGINE/ B27029 Robin

17

IR59830968

ENGINE NUT

18

IR59843722

BOLT

19

IR59831925

SPRING WASHER

20

IR59835371

WASHER

21

IR59830976

STOPPER rubber

22

IR58835943

NUT

23

IR58836198

CLUTCH ASSY

23

IR58835968

CLUTCH ASSY

23

IR59831016

CLUTCH ASSY

24

IR58836206

SHOE ASSY clutch

24

IR58835976

SHOE ASSY clutch

24

IR59831024

SHOE ASSY clutch

25

IR59831032

KEY

26

IR59953935

BOLT

27

IR59831925

SPRING WASHER

28

IR59831057

WASHER

29

IR59188466

HANDLE operating

29

IR59830927

HANDLE operating

30

IR59188490

HANDLE BOLT

30

IR59832287

BOLT

31

IR59841106

WASHER

31

IR59951632

SPRING WASHER Was IR59510065 - A

32

IR59831511

THROTTLE LEVER throttle

33

IR59839100

THROTTLE CABLE throttle

34

IR59831529

WIRE BAND

35

IR59843631

CLAMP wire assembly - Includes Ref. 36 & 37

36

IR59839126

BOLT

37

IR59833350

SPRING WASHER

38

IR59843649

RETURN SPRING

39

IR58837766

ENGINE BED

39

IR58836453

ENGINE BED

40

IR58836438

HONDA ENGINE See Illustration HONDA ENGINE/ B22201

41

IR58837725

INSIDE COVER CE Only

41

IR58837642

INSIDE COVER CE Only

42

IR59839126

BOLT CE Only

43

IR59833350

SPRING WASHER CE Only

44

IR58837659

BOSS

45

IR59952242

BOLT

46

IR59951632

SPRING WASHER Was IR59510065 - A

Выбрано товаров: 62