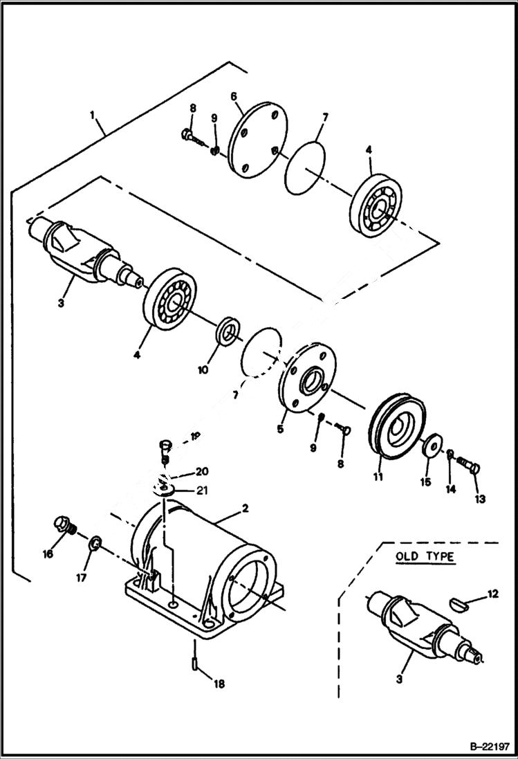
Запчасти Bobcat VIBRATORY PLATE COMPACTOR VIBRATION ASSEMBLY MAIN FRAME

Схема запчастей Bobcat VIBRATORY PLATE COMPACTOR - VIBRATION ASSEMBLY MAIN FRAME
FIT
1:1
100%

Артикул

Название

Примечание

Количество

1

IR59831073

VIBRATION ASSY Includes Ref. 2-17

2

IR59831065

SHAFT CASE

3

IR58837691

SHAFT eccentric

3

IR59831081

SHAFT eccentric

4

IR59831149

BALL BEARING

5

IR58837667

CASE COVER (A)

5

IR59831099

CASE COVER (A)

6

IR59831107

CASE COVER (B)

7

IR59831172

O-RING

8

IR59952325

BOLT

9

IR59831925

SPRING WASHER

10

IR59831156

OIL SEAL

11

IR58837709

PULLEY

11

IR59831115

PULLEY

12

IR59843714

WOODRUFF KEY Old Type

13

IR59952242

BOLT

14

IR59951632

SPRING WASHER Was IR59510065 - A

15

IR59236182

WASHER

15

IR59843656

WASHER Old Type

16

IR59831123

PLUG

17

IR59831131

PACKING

18

IR59831164

SPRING PIN

19

IR59839019

BOLT

20

IR59832618

SPRING WASHER

21

IR58837717

WASHER

Выбрано товаров: 25