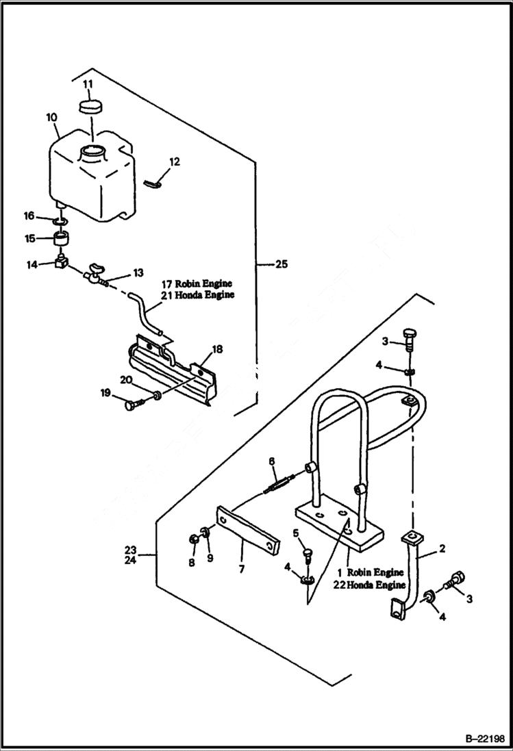
Запчасти Bobcat VIBRATORY PLATE COMPACTOR ROLLOVER CAGE & WATER TANK MAIN FRAME

Схема запчастей Bobcat VIBRATORY PLATE COMPACTOR - ROLLOVER CAGE & WATER TANK MAIN FRAME
FIT
1:1
100%

Артикул

Название

Примечание

Количество

1

IR58836099

ROLLOVER CAGE (A)

2

IR58836107

ROLLOVER CAGE (B)

3

IR59952535

BOLT

4

IR59831925

SPRING WASHER

5

IR59952325

BOLT

6

IR58836115

STUD BOLT

7

IR58836123

SETTING PLATE

8

IR59831917

NYLON NUT

9

IR59831925

SPRING WASHER

10

IR58836065

WATER TANK

11

IR59838813

CAP water tank

12

IR59831370

COTTER PIN

13

IR59831487

SPRINKLER COCK

14

IR59951764

ELBOW

15

IR58836073

TANK SOCKET

16

IR58836081

PACKING

17

IR59831495

HOSE sprinkler

18

IR58836016

SPRINKLER PLATE

19

IR59831826

BOLT

20

IR59951632

SPRING WASHER Was IR59510065 - A

21

IR59830752

HOSE sprinkler

22

IR58836461

ROLLOVER CAGE (A)

23

IR58836354

CAGE ASSY Robin - Includes Ref. 1-9

24

IR58836495

CAGE ASSY Honda - Includes Ref. 2-9 & 22

25

IR58836370

TANK ASSY water - Includes Ref. 10-21

Выбрано товаров: 25