Запчасти Bobcat VIBRATORY PLATE COMPACTOR HONDA ENGINE (Control Assy) POWER UNIT

Схема запчастей Bobcat VIBRATORY PLATE COMPACTOR - HONDA ENGINE (Control Assy) POWER UNIT
FIT
1:1
100%

Артикул

Название

Примечание

Количество

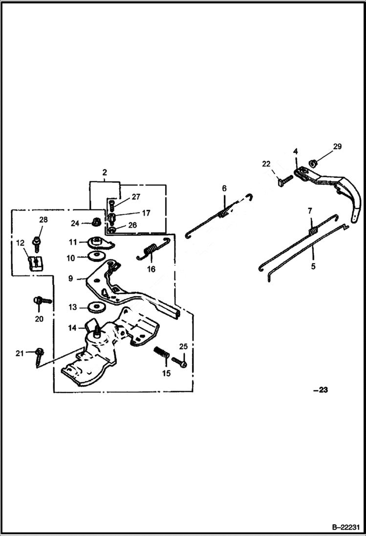
2

IR54474911

CONTROL ASSY Ref. 9-17 & 24-28

2

IR54474903

CONTROL ASSY Ref. 9-17 & 24-28

4

IR54474929

ARM governor

5

IR54474937

ROD governor

6

IR54474945

SPRING governor

7

IR54474952

SPRING throttle return

9

IR54474960

CONTROL LEVER

10

IR59244723

LEVER SPRING

11

IR54474978

LEVER WASHER

12

IR54474986

CABLE HOLDER

13

IR54474994

SPACER

14

IR54475017

CONTROL BASE

14

IR54475009

CONTROL BASE

15

IR59244731

SPRING adjusting

16

IR59244749

RETURN SPRING cable return

17

IR54475025

WIRE HOLDER

21

IR59244756

FLANGE BOLT

22

IR59244772

ARM BOLT governor

23

IR54475033

RECESSED BOLT

24

IR54475041

LOCKNUT

25

IR54475058

PAN SCREW

26

IR54475066

CIRCLIP

27

IR54475074

PAN SCREW

28

IR54475090

PAN SCREW

28

IR54475082

SCREW WASHER

29

IR59244780

FLANGE NUT

Выбрано товаров: 26