Запчасти Bobcat VIBRATORY PLATE COMPACTOR HONDA ENGINE (Cylinder Head) POWER UNIT

Схема запчастей Bobcat VIBRATORY PLATE COMPACTOR - HONDA ENGINE (Cylinder Head) POWER UNIT
FIT
1:1
100%

Артикул

Название

Примечание

Количество

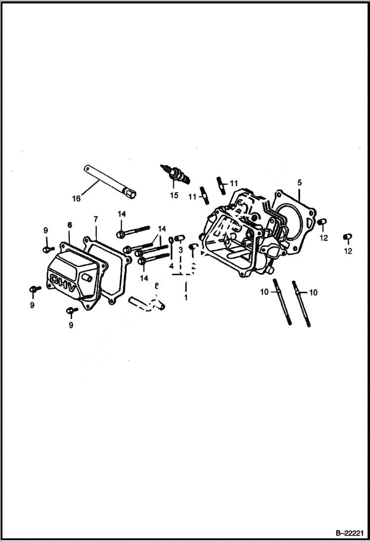
1

IR54473897

CYLINDER HEAD

2

IR59242925

VALVE GUIDE inlet

2

IR54473913

VALVE GUIDE inlet

3

IR59242933

VALVE GUIDE exhaust

4

IR59242941

CLIP valve guide

5

IR54474010

HEAD GASKET

5

IR54473996

HEAD GASKET

6

IR54474028

HEAD COVER

7

IR59242974

PACKING

8

IR59245982

BREATHER TUBE

9

IR59242990

FLANGE BOLT

9

IR54474036

FLANGE BOLT

10

IR54474044

STUD BOLT

11

IR59243212

STUD BOLT

12

IR59243220

DOWEL PIN

14

IR54474051

FLANGE BOLT

15

SPARK PLUG NLA - BPR5ES NGK - Was IR54474067 - A

15

IR54474085

SPARK PLUG W16EPR-U ND

15

IR59243261

SPARK PLUG BPR6ES NGK - Was IR54474093 - A

15

IR54474135

SPARK PLUG W20EPR-U ND

16

IR59243287

WRENCH spark plug

Выбрано товаров: 21