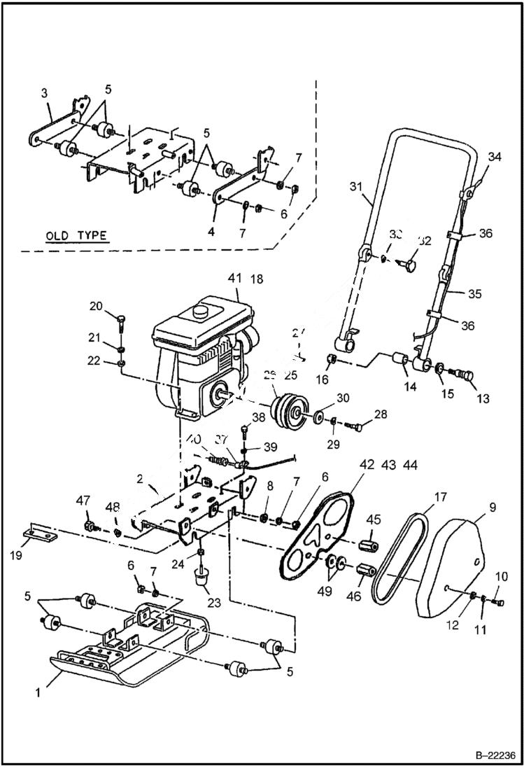
Запчасти Bobcat VIBRATORY PLATE COMPACTOR MAIN FRAME (Vibration, Engine & Controls) MAIN FRAME

Схема запчастей Bobcat VIBRATORY PLATE COMPACTOR - MAIN FRAME (Vibration, Engine & Controls) MAIN FRAME
FIT
1:1
100%

Артикул

Название

Примечание

Количество

1

IR58836040

CART SHAFT

2

IR58837840

ENGINE BED

2

IR58837832

ENGINE BED CE Only

2

IR58836172

ENGINE BED

2

IR59830042

ENGINE BED

3

IR59830398

BRACKET support - RH

4

IR59830406

BRACKET support - LH

5

IR59831313

RUBBER BUFFER

6

IR59831750

NUT

7

SPRING WASHER NLA - Was IR59831743 - A

8

IR59952473

WASHER

9

IR58837808

PULLEY COVER

9

IR58837733

PULLEY COVER CE Only

9

IR58836149

PULLEY COVER

9

IR59830091

PULLEY COVER

10

IR59952242

BOLT

11

IR59951632

SPRING WASHER Was IR59510065 - A

12

IR59952291

WASHER

13

IR59237297

SUPPORT PIN

14

IR59237305

RUBBER BUFFER

15

IR59830950

WASHER

16

IR59839027

NUT

17

IR59831503

V-BELT

17

IR59830174

V-BELT

18

IR58837824

ENGINE ASSY Robin

18

IR59830182

ENGINE ASSY Robin

19

IR59830968

ENGINE NUT

20

IR59843722

BOLT

21

IR59831925

SPRING WASHER

22

IR59835371

WASHER

23

IR59830976

STOPPER rubber

24

IR58835943

NUT

25

IR58836214

CLUTCH ASSY

25

IR58835984

CLUTCH ASSY

25

IR59839183

CLUTCH ASSY

26

IR58836206

SHOE ASSY clutch

26

IR58835992

SHOE ASSY clutch

26

IR59843664

SHOE ASSY clutch

27

IR59831032

KEY

28

IR59832535

BOLT

29

IR59831925

SPRING WASHER

30

IR59952655

WASHER

31

IR59188482

HANDLE operating

31

IR58837535

HANDLE operating - (Old)

31

IR59830125

HANDLE operating - (Old)

32

IR59188490

HANDLE BOLT

32

IR59832287

BOLT

33

IR59841106

WASHER

33

IR59951632

SPRING WASHER Was IR59510065 - A

34

IR59830315

THROTTLE LEVER

35

IR59839100

THROTTLE CABLE

36

IR59830331

WIRE BAND

37

IR59843631

CLAMP

38

IR59839126

BOLT

39

IR59833350

SPRING WASHER

40

IR59843649

RETURN SPRING

41

IR58836446

ENGINE ASSY See Illustration HONDA ENGINE/ B22239 HONDA

42

IR58837816

INSIDE COVER CE Only

42

IR58837741

INSIDE COVER CE Only

43

IR59839126

BOLT CE Only

44

IR59833350

SPRING WASHER CE Only

45

IR58837782

BOSS (A) - Rear

46

IR58837790

BOSS (B) - Front

47

IR59832287

BOLT

48

IR59951632

SPRING WASHER Was IR59510065 - A

49

IR59237289

WASHER

Выбрано товаров: 66