Качественные детали и логистика
Оригинальные и аналоговые запчасти с доставкой по России, Казахстану и Беларуси
©2022 PartSell ООО "Система" ИНН 2463123282 ОГРН 1212400004838
Центральный офис: г. Красноярск, Академика Киренского, д.87, пом.4
Телефон: 8 (800) 777-65-74 Email: zakaz@partsell.ru
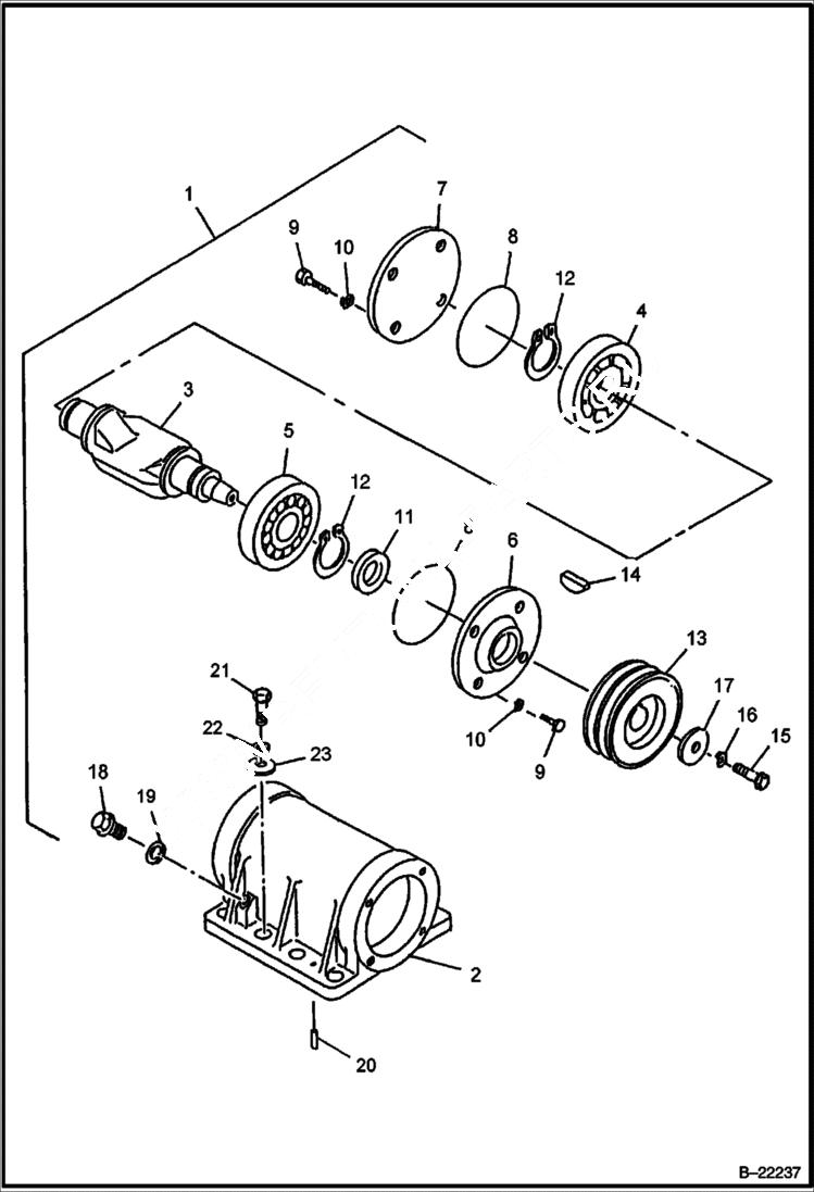
VIBRATION ASSEMBLY
№
Артикул
Название
Примечание
Количество
1
IR59830661
VIBRATION ASSY Ref. 2-23
2
IR59830455
SHAFT CASE
3
IR59830489
SHAFT eccentric
4
IR59839134
BALL BEARING
5
IR59830505
ROLLER BEARING
6
IR59831446
CASE COVER (A)
7
IR59831453
CASE COVER (B)
8
IR59831479
O-RING
9
IR59952325
BOLT
10
IR59831925
SPRING WASHER
11
IR59839142
OIL SEAL
12
IR59837765
SNAP RING
13
IR59830570
PULLEY
14
IR59843714
WOODRUFF KEY
15
IR59832287
16
IR59951632
SPRING WASHER Was IR59510065 - A
17
IR59843656
WASHER
18
IR59831123
PLUG
19
IR59831131
PACKING
20
IR59831164
SPRING PIN
21
IR59839019
22
IR59832618
23
IR58837717
Выбрано товаров: 0