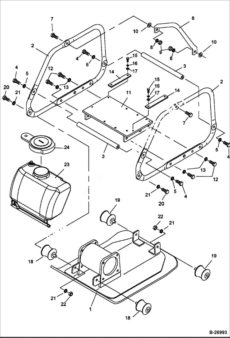
Запчасти Bobcat VIBRATORY PLATE COMPACTOR MAIN FRAME (Vibration, Guard & Water Tank) MAIN FRAME

Схема запчастей Bobcat VIBRATORY PLATE COMPACTOR - MAIN FRAME (Vibration, Guard & Water Tank) MAIN FRAME
FIT
1:1
100%

Артикул

Название

Примечание

Количество

1

IR22194807

Vibration Plate (BC15) complete

1

IR13202130

PLATE bottom plate only - For BC15

1

IR22195184

Vibration Plate (BC19) complete

1

IR22195358

Vibration Plate (BC22) complete

2

IR22194815

GUARD FRAME

3

IR22194823

Connection (A) (BC15)

3

IR22195192

Connection (A) (BC19/BC22)

4

IR59832287

BOLT

5

IR59951632

SPRING WASHER

6

IR22194831

Connection (B) (BC15)

6

IR22195200

Connection (B) (BC19/BC22)

7

IR59832287

BOLT

8

IR59951632

SPRING WASHER

9

IR58835943

NUT

10

IR59237289

WASHER

11

IR22194849

Engine Bed (BC15)

11

IR22195218

Engine Bed (BC19/BC22)

12

IR59952242

BOLT

13

IR59951632

SPRING WASHER

14

IR22194856

Spacer

15

IR54676465

Bolt

16

IR59833350

SPRING WASHER

17

IR59832188

WASHER

18

IR22194864

RUBBER BUFFER (A)

19

IR22194872

RUBBER BUFFER (B)

20

IR59952242

BOLT

21

IR59951632

SPRING WASHER

22

IR58835943

NUT

23

IR22194880

WATER TANK ASSEMBLY - BC15

23

IR22195226

WATER TANK BC10 BC19/BC22

23

IR13201371

ON/OFF WATER TANK VALVE

24

IR54674320

WATER TANK CAP

Выбрано товаров: 0