Качественные детали и логистика
Оригинальные и аналоговые запчасти с доставкой по России, Казахстану и Беларуси
©2022 PartSell ООО "Система" ИНН 2463123282 ОГРН 1212400004838
Центральный офис: г. Красноярск, Академика Киренского, д.87, пом.4
Телефон: 8 (800) 777-65-74 Email: zakaz@partsell.ru
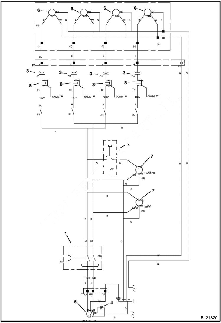
WIRING SCHEMATIC - GENERATOR (CONT)
№
Артикул
Название
Примечание
Количество
1
IR36875953
BREAKER
2
IR35371772
CIRCUIT BREAKER
3
IR36923076
CAPACITOR Ballast
4
IR22404784
KIT, CAP Generator - Was IR36883478 - A
5
IR44021814
KIT, GENERATOR 6KW Was IR36882504 - A
IR22389381
GENERATOR
IR22848840
SUPPORT
IR22882948
SCREW
IR46566387
KIT, GENERATOR 6KW
6
IR35337435
SWITCH Light
7
IR36848752
OUTLET Socket - Power
8
IR36883791
TRANSFORMER Ballast
IR54364856
HARNESS Engine Wiring
IR54364864
HARNESS Control Panel
Выбрано товаров: 0