Качественные детали и логистика
Оригинальные и аналоговые запчасти с доставкой по России, Казахстану и Беларуси
©2022 PartSell ООО "Система" ИНН 2463123282 ОГРН 1212400004838
Центральный офис: г. Красноярск, Академика Киренского, д.87, пом.4
Телефон: 8 (800) 777-65-74 Email: zakaz@partsell.ru
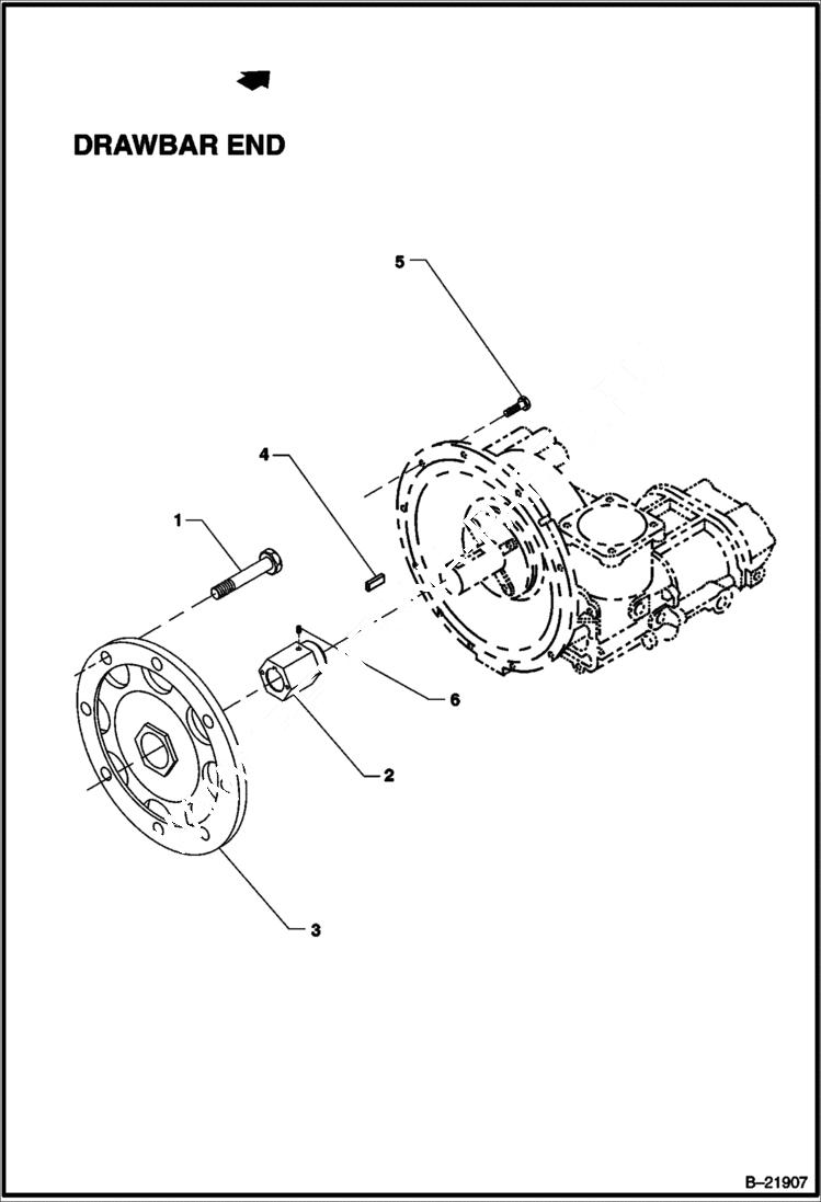
AIREND COMPLETE
№
Артикул
Название
Примечание
Количество
1
IR36881704
SCREW Hex Flange HD 3/8-16 X 1 1/4
2
IR54755095
BEARING Hex
3
IR54755087
COUPLING Drive
4
IR36769289
KEY
5
IR36880995
SCREW Hex Flange HD M10-1.5 X 30
6
IR95376943
SCREW Socket Set 3/8-16 X 1/4
Выбрано товаров: 0