Качественные детали и логистика
Оригинальные и аналоговые запчасти с доставкой по России, Казахстану и Беларуси
©2022 PartSell ООО "Система" ИНН 2463123282 ОГРН 1212400004838
Центральный офис: г. Красноярск, Академика Киренского, д.87, пом.4
Телефон: 8 (800) 777-65-74 Email: zakaz@partsell.ru
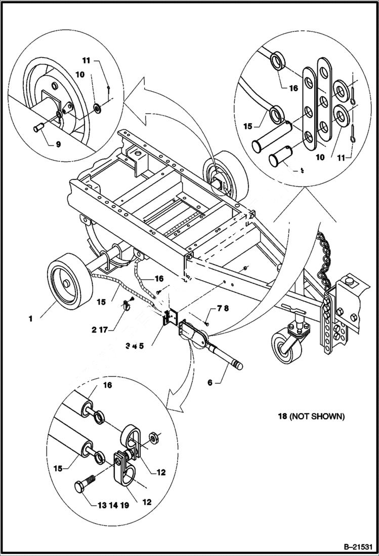
ELECTRIC BRAKE W/ PARK
№
Артикул
Название
Примечание
Количество
1
IR36881324
RUNNING GEAR W/ Brakes
2
IR35134477
CLAMP Rubber Coated
3
IR35116433
BRACKET Brake Lever
4
IR36769297
SCREW Hex M10 - 150 X 35
5
IR96701529
NUT Hex M10
6
IR35370055
LEVER Parking Brake
7
IR35374834
SCREW Hex M08 - 125 X 25
8
IR96700869
NUT Hex M08
9
IR36846780
PIN Clevis .31 X . 75
10
IR95934998
WASHER Flat 3/8
11
IR95928867
PIN Cotter .09
12
IR35126325
CLAMP Cable
13
IR95929006
SCREW Hex 5/16 - 18 X 1
14
IR35126358
SPACER
15
IR35589746
ASSEMBLY Brake Cable 78
16
IR36503134
ASSEMBLY Brake Cable 108
17
IR35300771
SCREW Tapping M06 - 100 X 20
18
IR35253038
19
IR35252600
NUT Locking 5/16 - 18
Выбрано товаров: 0