Запчасти Bobcat BAP185 WIRING DIAG. ACCESSORIES & OPTIONS

Схема запчастей Bobcat BAP185 - WIRING DIAG. ACCESSORIES & OPTIONS
FIT
1:1
100%

Артикул

Название

Примечание

Количество

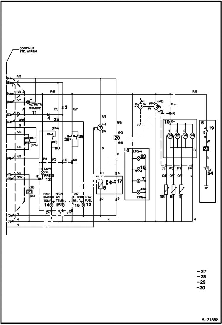
1

IR35372457

4 CYL. ENG. TEMP Sender

2

IR35676169

DIODE

3

IR35676169

DIODE

4

IR35676169

DIODE

5

IR35367739

MANUAL ETHER Start

5

IR35377266

AUTOMATIC Start

6

IR35372457

4 CYL. ENG. TEMP Sender

7

IR54774096

GAUGE Fuel

8

IR22058531

SWITCH Fuel - FS & LFS Combined In

9

IR36852622

GAUGE LIGHTS

9

IR35333236

BULB Incandescent

10

IR22058291

GAUGE MODULE

11

IR54774112

LOW OIL PRESS Indicator Lamp - IL1 & IL2 Combined In 2 Lamp Module

11

IR54774112

LOW OIL PRESS

12

IR54774112

LOW OIL PRESS Indicator Lamp - IL1 & IL2 Combined In 2 Lamp Module

12

IR54774112

LOW OIL PRESS

13

IR22061493

HIGH A/E TEMP Indicator Lamp - IL3 & IL6 Combined In 4 Lamp Module

13

IR22061493

HIGH A/E TEMP

14

IR22061493

HIGH A/E TEMP Indicator Lamp - IL3 & IL6 Combined In 4 Lamp Module

14

IR22061493

HIGH A/E TEMP

15

IR22061496

HIGH A/E TEMP Indicator Lamp - IL3 & IL6 Combined In 4 Lamp Module

15

IR22061496

HIGH A/E TEMP

16

IR22061493

HIGH A/E TEMP Indicator Lamp - IL3 & IL6 Combined In 4 Lamp Module

16

IR22061493

HIGH A/E TEMP

17

IR22058531

SWITCH Low Fuel - FS & LFS Combined

18

IR36870608

OIL PRESSURE Sender

19

PUSH BUTTON Switch - Included In Option

20

IR54368084

RELAY Fuel Shutdown

21

IR54368084

RELAY High Eng Temp

22

SOLENOID Ether - Included In Option

23

IR22060198

TACHOMETER

24

SWITCH Block Temp. Ether - Included In Option

25

IR36847838

SWITCH Air Filter Restriction

26

IR36847838

SWITCH Air Filter Restriction

27

IR22060339

HARNESS Option

28

IR22074843

HARNESS Gauge Illumination Option

29

IR36842839

HARNESS Air Filter Restr Option

30

IR36842821

HARNESS Manual Cold Start Option

Выбрано товаров: 38