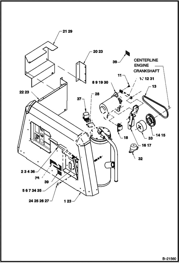
Запчасти Bobcat BAP185 4.5 KW GENERATOR OPTION ACCESSORIES & OPTIONS

Схема запчастей Bobcat BAP185 - 4.5 KW GENERATOR OPTION ACCESSORIES & OPTIONS
FIT
1:1
100%

Артикул

Название

Примечание

Количество

1

IR36895373

ENDCAP Front Top

2

IR36895381

DOOR Generator Control Panel

3

IR22107478

HINGE, SPRING, CNTRL PNL Control Panel - Was IR36890085 - A

4

IR36877587

RIVET 3/16 Aluminum

5

IR36895506

ARM Control Panel Support

6

IR35158617

WASHER Spring

7

IR35374842

SCREW Hex M10-1.5 X 25

8

IR36884427

GENERATOR 4.5 KW

9

IR35271162

SCREW Hex M08-1.25 X 30

10

IR35611391

STRAP ADJ Alternator

11

IR95929006

SCREW Hex 3/16 - 18 X 1

12

IR35271154

SCREW Hex M10 - 1.5 X 30

13

IR36892610

BELT V 10mm

14

IR36895233

PULLEY Crankshaft

15

IR95055349

BOLT Cap Shoulder 3/8 - 16 X 1

16

IR36892511

BRACKET Gen Front

17

IR36793040

SCREW Flang Head M16 - 2.0 X 40

18

IR36892529

BRACKET Gen Rear

19

IR95934303

WASHER Lock

20

IR36894152

BRACKET Gen Guard

21

IR36894145

GUARD Generator

22

IR36894137

GUARD Toolbox / Generator

23

IR36797652

SCREW Tapping M06 - 1.0 X 12

24

IR35607829

EYEBOLT 1/4 X 2.5

25

IR95925029

WASHER Flat

26

IR35607837

SPRING Compression

27

IR95923298

NUT Hex Lock M10-1.5

28

IR36892669

BRACKET Solenoid Valve

29

IR35279025

SCREW Tapping M08-1.25

30

IR96700869

NUT Hex M08 - 1.25

31

IR36879195

NUT Hex Flange M10

32

IR36876274

ISOLATOR Engine

33

IR36895761

ADAPTER Crankshaft Pulley

34

IR95935037

WASHER Flat

35

IR35312024

NUT Hex Lock M10-1.5

36

IR36920486

RIVET 3/16 SS

37

IR36843142

VALVE Solenoid 12V

38

IR36532034

DECAL Generator Operation

39

IR36532026

DECAL Horizontal Hazardous Voltage

Выбрано товаров: 39