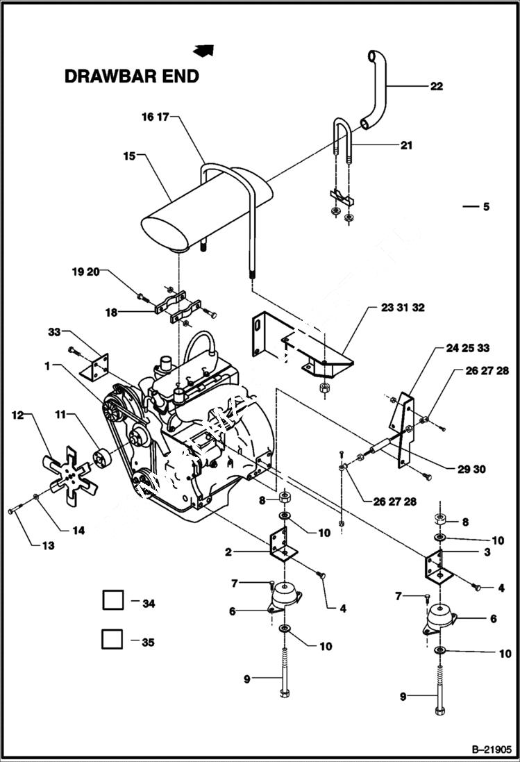
Запчасти Bobcat BAP185 ENGINE COMPLETE MAIN FRAME

Схема запчастей Bobcat BAP185 - ENGINE COMPLETE MAIN FRAME
FIT
1:1
100%

Артикул

Название

Примечание

Количество

1

IR36134963

ENGINE Was IR36920023 Was IR22382725 - A

1

IR36125110

FUEL PUMP

2

IR54438643

BRACKET, ENGINE MOUNT Was IR54438634 - D

3

IR54438544

BRACKET

4

IR36888055

SCREW

5

IR36881712

SCREW

6

IR54429303

ISOLATOR

7

IR35279025

SCREW

8

IR35304047

NUT

9

IR96739958

SCREW

10

IR54429295

WASHER

11

IR36892461

SPACER

12

IR36880649

FAN

13

IR36786382

SCREW

14

IR95934998

WASHER

15

IR36881563

MUFFLER

16

IR35851377

BLT UOVALX375-16 Was IR35881377 - A

17

IR95923322

NUT

18

IR36796845

CLAMP

19

IR95935227

SCREW

20

IR95929782

NUT

21

IR35209048

CLAMP

22

IR36775690

PIPE

23

IR36880839

BRACKET

24

IR36877223

SUPPORT

25

IR35376953

SCREW

26

IR35328467

BEARING

27

IR36771178

SCREW

28

IR36769032

NUT

29

IR35592435

CYLINDER

30

IR95923074

NUT

31

IR95935037

WASHER

32

IR35376953

SCREW

33

IR54438536

BRACKET

34

IR36881696

ENGINE Oil Filter Element

35

IR36534659

ENGINE Fuel Filter Element

Выбрано товаров: 36