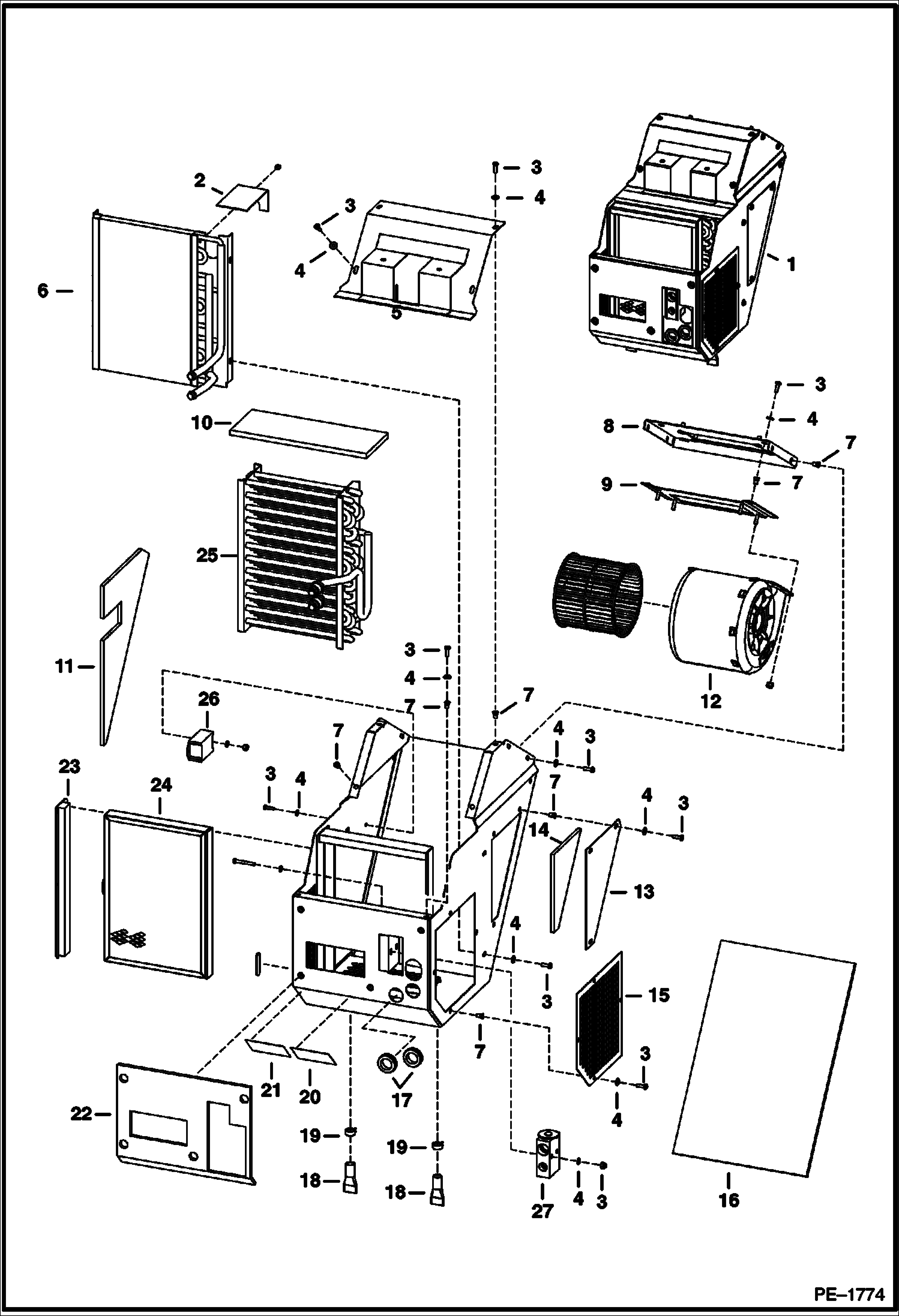
Запчасти Bobcat 5600 HEATER & A/C (HVAC Assy) ACCESSORIES & OPTIONS

Схема запчастей Bobcat 5600 - HEATER & A/C (HVAC Assy) ACCESSORIES & OPTIONS
FIT
1:1
100%

Артикул

Название

Примечание

Количество

1

6681463

HOUSING hvac

2

BRACKET NLA - Order 6681463 housing - Was 6684528 - A

3

6684504

SCREW

4

6684505

WASHER

5

PANEL ASSY NLA - Was 6684510 - A

6

HEATER COIL NLA - Order 6682409 - Was 6684532 - A

7

6684503

INSERT

8

6684515

BRACKET ASSY Order 6681463 housing

9

SHIELD NLA - Order 6681463 housing - Was 6684529 - A

10

6684511

INSULATION

11

6684531

INSULATION Order 6681463 housing

12

6684525

BLOWER ASSY

13

6684513

PANEL ASSY Order 6681463 housing

14

6684531

INSULATION Order 6681463 housing

15

6684514

PLATE Order 6681463 housing

16

6684508

INSULATION

17

6684522

GROMMET

18

6684507

TUBE

19

6684506

CLAMP

20

DECAL NLA - Was 6684537 - A

21

6684540

DECAL

22

6684509

INSULATION

23

DOOR ASSY NLA - Order 6681463 housing - Was 6684512 - A

24

6681466

FILTER

25

6684533

A/C COIL

26

6683911

SWITCH, THERMOSTAT Was 6679082 - A

27

6683910

VALVE expansion - Was 6684539 - A

Выбрано товаров: 27