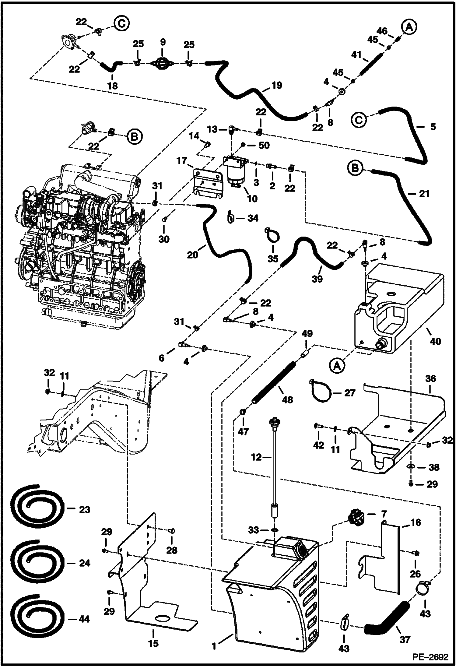
Запчасти Bobcat 5600 FUEL SYSTEM (Turbo) MAIN FRAME

Схема запчастей Bobcat 5600 - FUEL SYSTEM (Turbo) MAIN FRAME
FIT
1:1
100%

Артикул

Название

Примечание

Количество

1

6817262

TANK fuel

2

1324240

CONNECTOR

3

99K5

O-RING

4

6553411

BUSHING 0.38'' ID

5

HOSE NLA - 17'' (431,8mm) long - Order Ref. 23

6

6598908

ELBOW barbed

7

6661114

CAP. DIESEL green

7

7113340

CAP. DIESEL European

7

6661696

CAP, FUEL LOCKING green locking - W/key 6587458

7

6587458

KEY

8

7126672

ELBOW barbed - Was 6666302 - A

9

6667170

PUMP 193 mm (7.6'') long

10

6667353

FILTER ASSY

10

6667352

FILTER, FUEL W/SEPARATOR 12

10

72F1

FITTING

10

6658180

PLUG, BLEED

11

6674264

RETAINER NUT

12

7216517

SENSOR, FUEL fuel - Was 6680450 - A

13

6715183

ELBOW

14

6719827

BOLT

15

6812217

BRACKET

16

6812219

BRACKET fuel tank

17

7106145

MOUNT filter

18

HOSE NLA - 7.5''(190,5mm) long - Order Ref. 23

19

HOSE NLA - 42''(1066,8mm) long - Order Ref. 23

20

HOSE NLA - 29.5''(749,3mm) long - Order Ref. 24

21

HOSE NLA - 24''(609,6mm) long - Order Ref. 23

22

5HM14

CLAMP constant tension

23

6577822

HOSE bulk - sold per foot

24

6578169

HOSE bulk - sold per foot - 0.19'' ID

25

5HM15

CLAMP constant tension

26

29CM1016

BOLT

27

6624289

STRAP, TIE

28

28CM1020

BOLT

29

29CM816

SCREW

30

28CM820

BOLT

31

42HS04

CLAMP, HOSE

32

43DM10

NUT

33

6717579

GASKET

34

30H31

CLAMP 10

35

6624289

STRAP, TIE

36

7133492

SUPPORT Was 7114003 - A

37

6817479

HOSE

38

6817775

WASHER

39

HOSE NLA - 38''(965,2mm) long - Order Ref. 23

40

7113277

TANK

41

HOSE NLA - 9.5''(241,3mm) long - Order Ref. 44

42

28CM1030

BOLT

43

42HC200

CLAMP

44

6569752

HOSE BULK/FT bulk - sold per foot

45

6661213

RING, COMPRESSION compression

46

1314885

ADAPTER

47

7103511

BUSHING flanged

48

7103739

HOSE fuel

49

7103892

BUSHING

50

51DM8

NUT

Выбрано товаров: 56