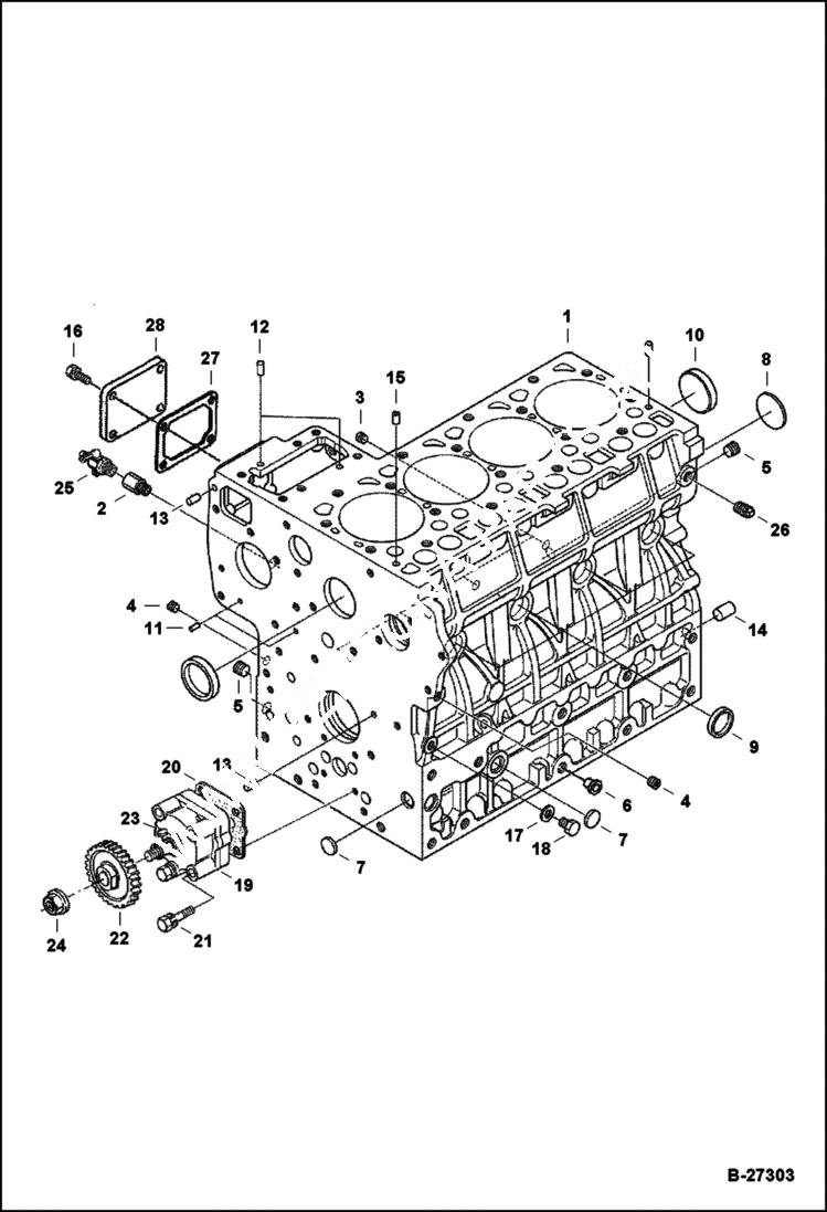
Запчасти Bobcat 5600 CRANKCASE (Kubota - V2203MDI - Tier II) POWER UNIT

Схема запчастей Bobcat 5600 - CRANKCASE (Kubota - V2203MDI - Tier II) POWER UNIT
FIT
1:1
100%

Артикул

Название

Примечание

Количество

1

6685522

CRANKCASE assy. - W/Ref. 2 - 15

2

3974871

CONNECTOR

3

6652574

PLUG

4

6685477

PLUG

5

6652575

PLUG

6

6598187

PLUG

7

6667418

PLUG expansion

8

6657663

PLUG expansion

9

3974389

CAP, SEALING sealing

10

3974390

PLUG sealing - Was 6680639 - A

11

3974393

PIN straight

12

3974394

PIN straight

13

3974395

PIN straight

14

3974868

PIN straight

15

3974037

PIN pipe

16

6652580

BOLT

17

3974095

MET-GASK

18

6655884

PLUG

19

6689441

PUMP, OIL ENG Was 3975426 - A

20

6666782

GASKET

21

6655195

BOLT

22

3975441

GEAR, CAMSHAFT

23

6969805

KEY,FEATHER Was 15JM00410B - A

24

6653888

NUT

25

6672190

DRAINCOCK

26

16F2

PLUG

27

6666783

GASKET Was 6684752 - A

28

6684751

COVER Was 6685478 - B,D

Выбрано товаров: 28