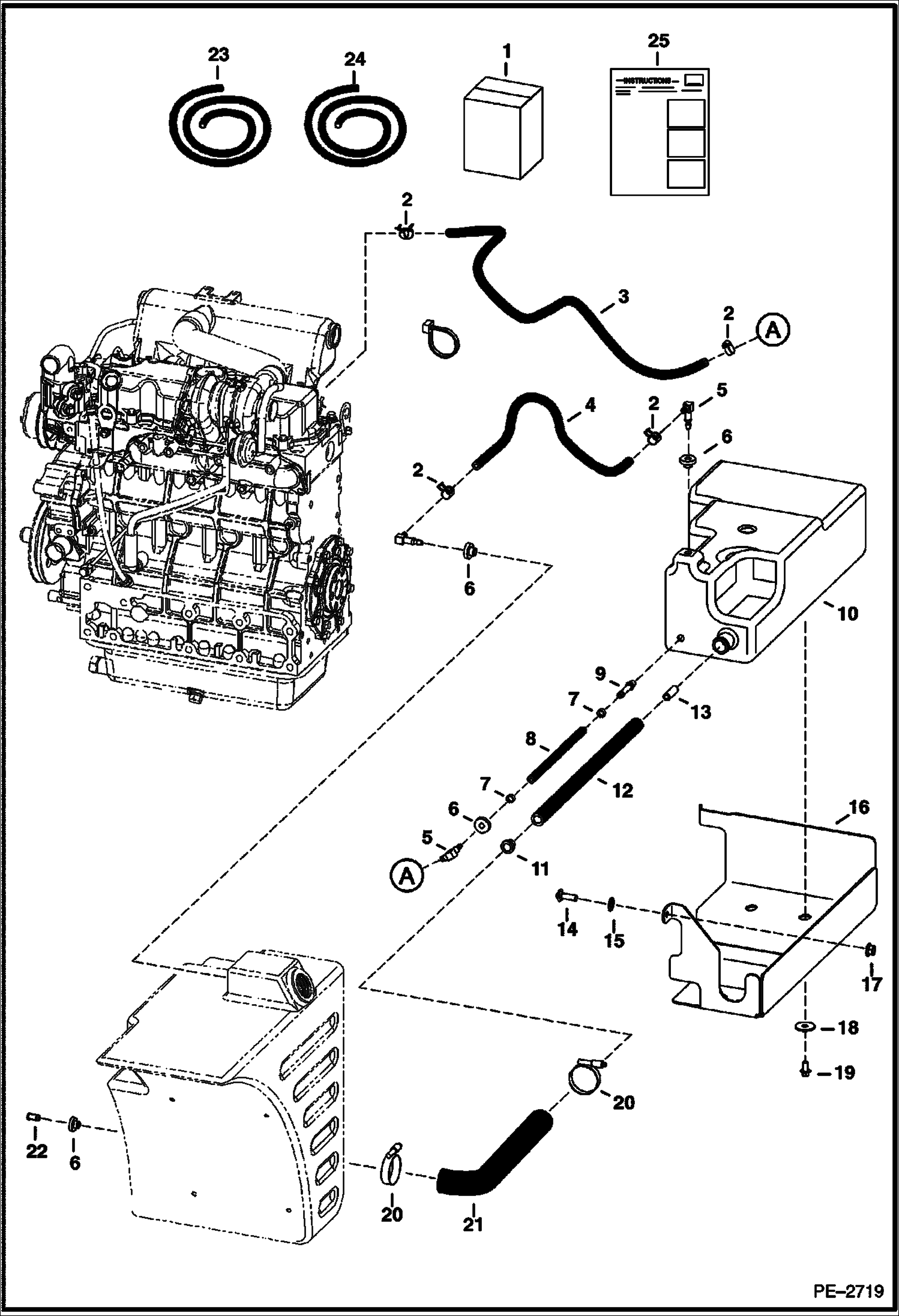
Запчасти Bobcat 5600 AUXILIARY FUEL TANK KIT ACCESSORIES & OPTIONS

Схема запчастей Bobcat 5600 - AUXILIARY FUEL TANK KIT ACCESSORIES & OPTIONS
FIT
1:1
100%

Артикул

Название

Примечание

Количество

1

7113282

KIT, FUEL TANK aux fuel tank - Ref. 2-25

2

5HM15

CLAMP

3

HOSE NLA - 42''(1066,8mm) long - Order Ref. 23

4

HOSE NLA - 38''(965,2mm) long - Order Ref. 23

5

7126672

ELBOW barbed - Was 6666302 - A

6

6553411

BUSHING 0.38'' ID

7

6661213

RING, COMPRESSION compression

8

HOSE NLA - 9.5''(241,3mm) long - Order Ref. 24

9

1314885

ADAPTER barbed

10

7113277

TANK aux

11

7103511

BUSHING flanged

12

7103739

HOSE

13

7103892

BUSHING

14

28CM1030

BOLT

15

6674264

RETAINER NUT

16

7133492

SUPPORT Was 7114003 - A

17

43DM10

NUT

18

6817775

WASHER

19

29CM816

SCREW

20

42HC200

CLAMP

21

6817479

HOSE

22

6599645

PLUG, STEEL steel

23

6577822

HOSE bulk - sold per foot

24

6569752

HOSE BULK/FT bulk - sold per foot

25

6904228

INSTRUCTIONS

Выбрано товаров: 25