Качественные детали и логистика
Оригинальные и аналоговые запчасти с доставкой по России, Казахстану и Беларуси
©2022 PartSell ООО "Система" ИНН 2463123282 ОГРН 1212400004838
Центральный офис: г. Красноярск, Академика Киренского, д.87, пом.4
Телефон: 8 (800) 777-65-74 Email: zakaz@partsell.ru
EUROPEAN SERVICE OPTION
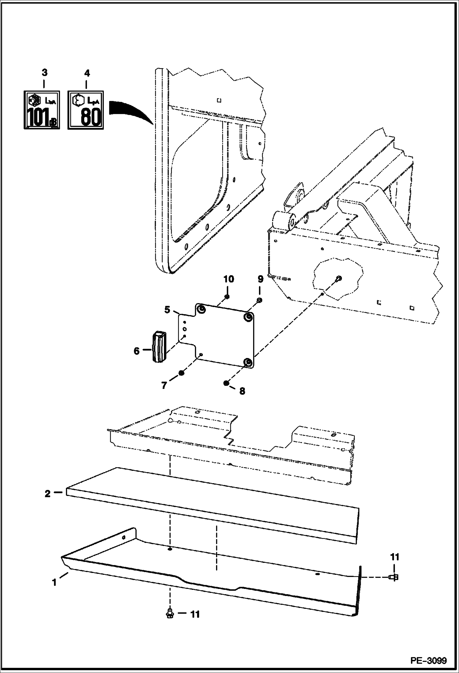
№
Артикул
Название
Примечание
Количество
1
7117724
COVER
2
7120514
INSULATION
3
6812569
DECAL
6731994
DECAL, DECIBEL noise level - 104db
4
6810259
5
6817269
BRACKET
6
6665729
LIGHT
7
29CM610
BOLT
8
29CM620
SCREW
9
43DM6
NUT
10
43DM5
11
26GM10016
Выбрано товаров: 0