Запчасти Bobcat 5600 HEATER & A/C (HVAC Assy) ACCESSORIES & OPTIONS

Схема запчастей Bobcat 5600 - HEATER & A/C (HVAC Assy) ACCESSORIES & OPTIONS
FIT
1:1
100%

Артикул

Название

Примечание

Количество

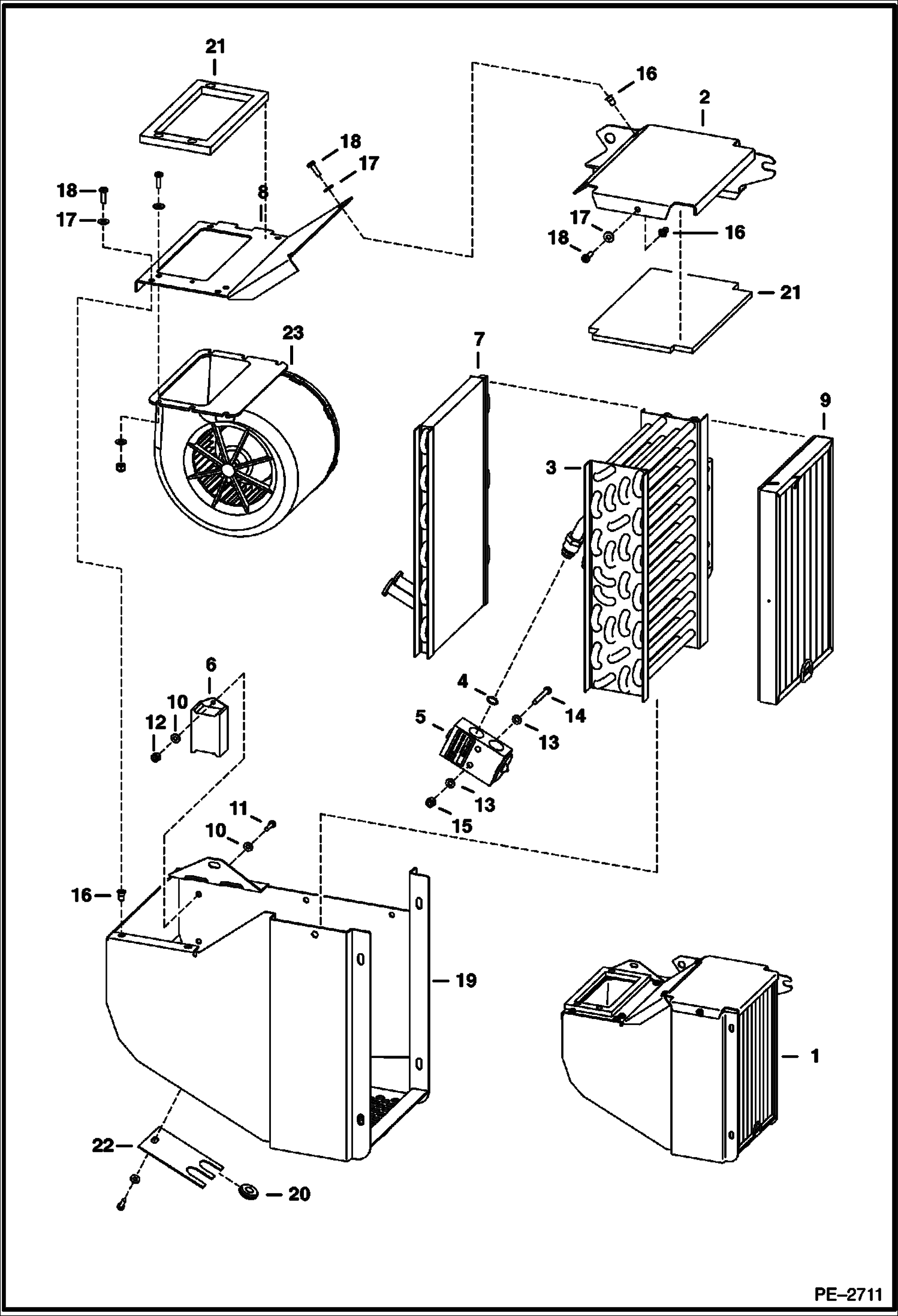
1

6687622

HVAC Order 6691427 HVAC Assy

2

6689373

COVER ASSY

3

6689374

COIL evaporator

4

6685117

O-RING Was 6685325 - A

5

6684539

VALVE

6

6679082

THERMOSTAT A/C

7

COIL NLA - Order 6687622 HVAC - Was 6689375 - A

8

PANEL ASSY NLA - Order 6687622 HVAC - Was 6689376 - A

9

6693221

FILTER air return air return - Was 6689377 - A

10

WASHER NLA - Was 6684536 - A

11

SCREW NLA - Was 6684535 - A

12

6684520

NUT

13

6684500

WASHER

14

6684519

SCREW

15

6684521

NUT

16

6684503

INSERT

17

6684505

WASHER

18

6684504

SCREW

19

FRAME ASSY NLA - Order 6687622 HVAC - Was 6689372 - A

20

6689380

GROMMET

21

6689378

INSULATION

22

PLATE NLA - Order 6687622 HVAC - Was 6689379 - A

23

6690932

BLOWER ASSY.

Выбрано товаров: 23