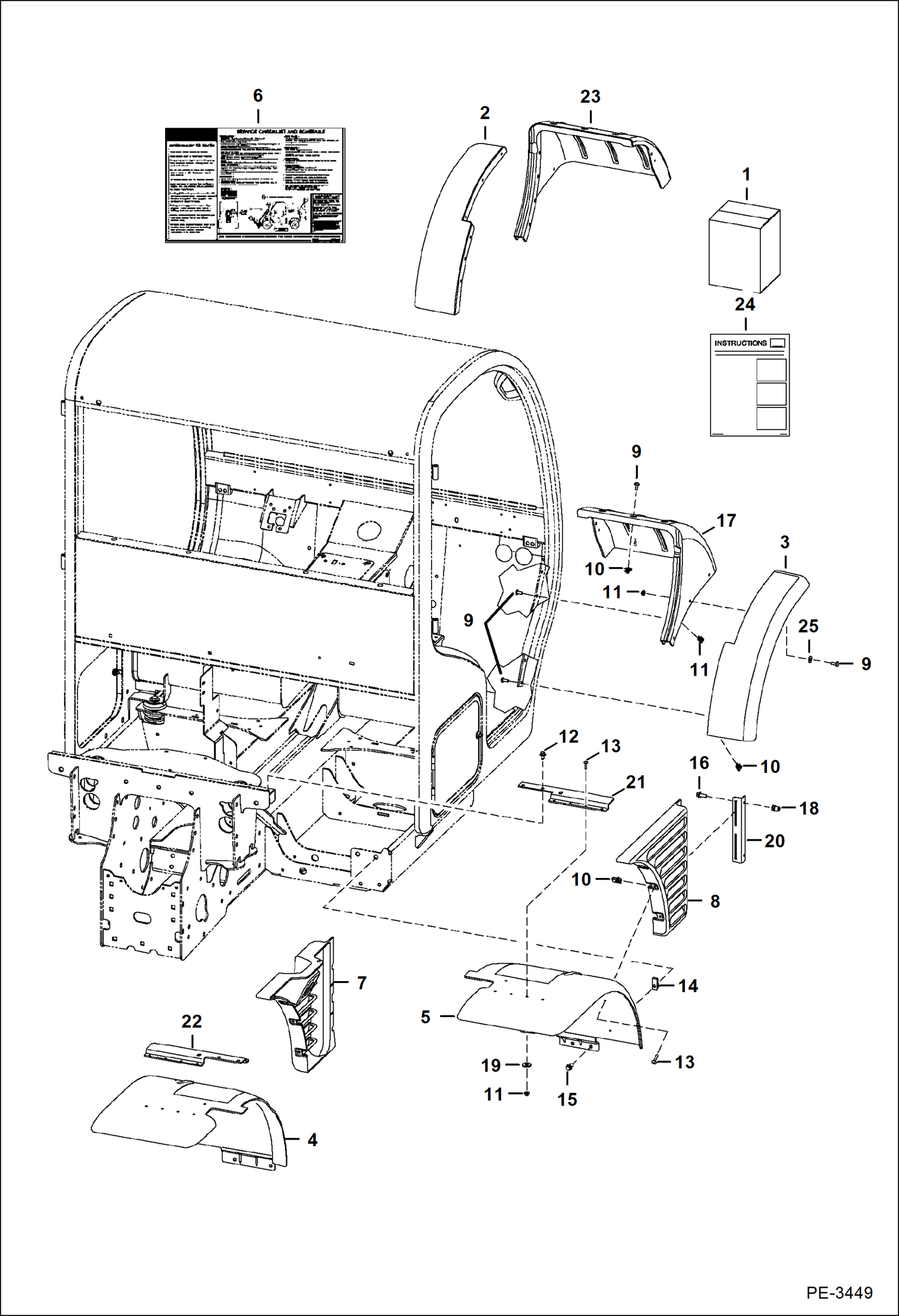
Запчасти Bobcat 5600 FENDER KIT (Wide) ACCESSORIES & OPTIONS

Схема запчастей Bobcat 5600 - FENDER KIT (Wide) ACCESSORIES & OPTIONS
FIT
1:1
100%

Артикул

Название

Примечание

Количество

1

7145810

KIT wide - Ref. 2-6 & 24

2

7130642

FLARE L.H.

3

7130643

FLARE R.H.

4

7130644

FENDER L.H.

5

7130645

FENDER R.H.

6

7134482

DECAL 5600 service

6

7163134

DECAL 5610 service

7

7117819

COVER L.H.

8

7117820

COVER R.H

9

1CM620

BOLT

10

6676026

NUT

11

51DM6

NUT

12

26GM10016

SCREW

13

6816193

SCREW

14

6675722

NUT

15

29CM1020

BOLT

16

29CM820

SCREW

17

7128661

FENDER R.H.

18

6813676

INSERT

19

17EM80

WASHER

20

7125594

BRACKET

21

7133489

BRACKET

22

7133488

BRACKET

23

7128660

FENDER L.H.

24

6986592

INSTRUCTIONS

25

17EM60

WASHER

Выбрано товаров: 26